文章目录
- 前言
- 一、产品设计流程
- 二、元件选型
-
- [2.1 信号接口选型](#2.1 信号接口选型)
- [2.2 模块接口选型](#2.2 模块接口选型)
-
- [2.2.1 常用低速/控制接口 (板级通信)](#2.2.1 常用低速/控制接口 (板级通信))
- [2.2.2 调试与烧录接口 (程序下载)](#2.2.2 调试与烧录接口 (程序下载))
- [2.2.3 物理连接器选型](#2.2.3 物理连接器选型)
- [2.3 电源设计](#2.3 电源设计)
-
- [2.3.1 电源树](#2.3.1 电源树)
- [2.3.2 电源设计法则](#2.3.2 电源设计法则)
- 三、LDO、DCDC
-
- [3.1 LDO介绍](#3.1 LDO介绍)
-
- [3.1.1 LDO工作原理](#3.1.1 LDO工作原理)
- [3.1.2 LDO的电气特性](#3.1.2 LDO的电气特性)
- [3.2 DCDC电路](#3.2 DCDC电路)
-
- [3.2.1 DCDC概念](#3.2.1 DCDC概念)
- [3.2.2 BUCK电路](#3.2.2 BUCK电路)
- [3.2.3 BOOST 电路](#3.2.3 BOOST 电路)
- 四、基准电压源
-
- [4.1 使用基准电压源的优势](#4.1 使用基准电压源的优势)
- [4.2 基准电压源TL431](#4.2 基准电压源TL431)
- 五、滤波电容
- 总结
前言
在学习完PCB设计基础篇之后,现在开始大师篇的学习,内容均来自"Expert 电子实验室"的教程。
这篇文章,主要介绍原理,包括产品设计流程,元件选型,LDO和开关电源,基准电压源和滤波电容等内容。
一、产品设计流程
PCB设计流程:原理图设计 -> PCB设计(布局布线) -> 板厂加工 -> 焊接组装
PCB设计到产品设计流程如下图所示:

简单来说就是分析需求,然后设计方案,接着进行PCB设计,拿到PCB焊接好之后,验证PCB的产品功能。
二、元件选型
我们的需求是"设计一款基于STM32的开发板,满足电赛仪表组的需求",接下来需要设计方案。
设计方案
主控 :STM32F103VET6
信号接口 :ADC、DAC
模块接口 :屏幕、I2C、SPI、USART、USB,排针等
电源设计
MCU需要设计最小系统电路
那么MCU最小系统的电路如何确定?我们可以根据数据手册确定,包括时钟电路、电源电路、复位电路。
2.1 信号接口选型
在设计初期就把信号接口(Signal Interfaces)规划好是非常关键的一步,这决定了你的板子能和外界如何"对话"。
如果我们要用到ADC和DAC功能,模拟信号非常敏感,容易受到干扰,那么就要选则合适的物理接口以减少噪声。
SMA (SubMiniature version A) 是一种非常经典的射频(RF)和微波连接器。
在ADC/DAC设计,或者未来的无线通信(WiFi, GPS, 蓝牙)设计中,如果信号频率较高,或者要求信号质量非常纯净,SMA接口是首选。

简单来说,它是为了连接同轴电缆而设计的螺纹接口。
传输高频信号或微弱模拟信号。它的屏蔽性非常好,抗干扰能力远强于普通的排针。
SMA 对比其它接口体积适中、螺纹连接抗震、全屏蔽、频带宽 (DC-18GHz),是开发板对外的高速/模拟接口首选。
2.2 模块接口选型

2.2.1 常用低速/控制接口 (板级通信)
这类接口通常用于芯片与芯片之间(如单片机连接传感器、存储器、小屏幕),布线简单,适合新手入门。
| 接口名称 | 线数 | 速度 | 特点与优势 | 典型应用 | 备注 |
|---|---|---|---|---|---|
| UART(串口) | 2(Tx,Rx) | 慢 | 最简单、最常用。异步通信,无需时钟线 | 调试打印信息、连接蓝牙/WiFi模块 | 每个板子最好都留一个UART用于调试 |
| I2C | 2(SDA,SCL) | 中慢 | 总线型,只需两根线就能挂载多个设备 | 各种I2C协议的传感器 | 适合引脚少的场景,但需要接上拉电阻(通常4.7K) |
| SPI | 4(SCK, MOSI, MISO, CS) | 快 | 全双工,速度比I2C快很多 | SD卡、高速ADC、Flash存储 | 如果对速度有要求(如刷屏),选SPI |
2.2.2 调试与烧录接口 (程序下载)
这是板子烧录代码的入口,设计时绝对不能忘。

SWD (Serial Wire Debug) : (推荐 ARM/STM32系列)
引脚: SWDIO, SWCLK, GND, VCC (4线)。
优点: 占用引脚少,速度快,主要用于STM32等ARM芯片.
JTAG :
引脚: TCK, TMS, TDI, TDO, RST 等 (比较多)。
优点: 传统标准,功能全,但占地大。新手尽量用SWD替代。
ISP (如 ESP32/Arduino) :
通常直接通过 USB转UART 进行下载,需要设计一键下载电路(利用DTR/RTS引脚控制复位和Boot)。
2.2.3 物理连接器选型
选定协议后,我们还得选"插座"。

1.排针/排母 (2.54mm间距),用于调试口、模块连接,优点最便宜,杜邦线随手可得,方便面包板验证。
2.XH2.54 / PH2.0 端子,用于电池接口、风扇接口、扬声器,优点有防呆卡扣,插反插不进去,避免烧板子。
3.接线端子 (螺钉式/按压式),用于电源输入、大电流接口,优点接线牢固,不需要焊接线头。
4.FPC/FFC 排线座,用于连接屏幕、摄像头,但是焊接难度大
在决定接口前,问自己这三个问题:
- 通信对象是谁?
- 速度要求多少?
- 距离多远?
2.3 电源设计
电源设计是PCB设计的"心脏"。如果心脏供血不足(电压不稳)或者血管爆裂(过压烧毁),整个系统无论代码写得多好都会罢工。
2.3.1 电源树

上图为"电源树",简单来说就是画清楚电流是如何从"入口"一步步流向每一个"芯片"的。
画电源树的三个核心步骤:
第一步:罗列所有"吃饭的人"
列出板子上所有需要用电的芯片,查它们的数据手册(Datasheet),记录电压和最大电流。
| 器件名称 | 电压 (V) | 最大电流 (mA) | 备注 |
|---|---|---|---|
| STM32F103 | 3.3V | 50mA | 核心主控 |
| OLED屏幕 | 3.3V | 20mA | 显示 |
| WiFi模块 | 3.3V | 300mA | 瞬时电流大 |
| ADC芯片 | 3.3V | 5mA | 需要极低噪声 |
| 合计 | - | 约 375mA | - |
第二步:选择"分饭的人"
根据合计电流来选电源芯片
需求 : 5V 转 3.3V,总电流约 375mA。
选型 : AMS1117-3.3 的最大输出电流是 800mA ~ 1A。
判断: 800mA > 375mA,够用,安全! (如果你的WiFi模块电流是800mA,那总流超过1A,AMS1117就得换成 DC-DC 芯片了)。
第三步:隔离"吵闹的人"
这是ADC设计者最需要关注的。
WiFi模块 和单片机 是"吵闹的人"(数字信号跳变快,电源噪声大)。
ADC芯片 是"喜静的人"(电源有一点波动,采样就不准)。
策略 : 在电源树上,虽然它们都用3.3V,但不要让ADC和WiFi共用同一根电源线。要么用单独的LDO给ADC供电,要么在中间加磁珠/电感隔离。
2.3.2 电源设计法则
电源设计的法则:
一、选型法则:LDO 还是 DC-DC
假设你需要把输入的 5V 或 12V 变成单片机能用的 3.3V。
| 方案 | 全称 | 代表芯片 | 优点 | 缺点 | 什么时候选它 |
|---|---|---|---|---|---|
| LDO | 线性稳压器 | AMS1117 | 1.纹波极小 2. 电路简单 3. 便宜 | 1.发热严重 (效率低) 2. 只能降压,不能升压 | 新手首选 1. 压差小 (如 5V转3.3V) 2. 电流小 (<500mA) 3. 给ADC/模拟电路供电 (需要干净电源) |
| DC-DC | 开关稳压器 | LM2596 | 1. 效率高,不发热 2. 支持大电流 (1A, 2A, 5A) 3. 输入电压范围宽 (如12V/24V) | 1. 纹波大 (噪声多) 2. 电路复杂 (要有电感、二极管) 3. PCB布局要求高 | 大功率场景 1. 压差大 (如 12V/24V转5V) 2. 电流大 (>500mA,如带电机、大屏) 3. 系统总电源入口 |
经验:
5V 转 3.3V :无脑选 LDO (AMS1117)。
12V 转 5V/3.3V :如果电流小(只带单片机),可以用LDO但会烫;建议选 DC-DC。
给 ADC/DAC 供电:必须用 LDO,因为DC-DC的开关噪声会毁了你的采样精度。
二、 保护法则:别让板子冒烟
1.防反接 (必做) :
二极管串联: 在电源正极串一个二极管(推荐 SS34 肖特基二极管,压降小)。如果你接反了,二极管截止,板子不通电,安全。
接口防呆: 选用 Type-C 或 XH2.54 这种有方向的插座。
2.过流保护 (保险丝) :
自恢复保险丝 (PTC),当电流过大(比如短路)时,它变热断开;故障排除后冷却自动恢复。
3.稳压滤波 (电容阵列) :
大容滤低频,小容滤高频
在电源的输入端和输出端,都要并联电容。
标配组合:1个 100uF (或者是47uF) 的电解/钽电容 + 1个 100nF (0.1uF, 104) 的陶瓷电容。
三、布局法则:电源线要怎么画 ?
1.线宽 (Width) :
电源线就是水管,水管太细流速快了会爆管(发热/压降大)。
标准:信号线走 10-12mil,电源主干线至少走 20-40mil(0.5mm - 1.0mm)。
极简估算: 1mm线宽 ≈ 1A 电流 (温升允许范围内)。
2.回路面积 (Loop Area) :
特别是 DC-DC 电路(有电感的那种),输入电容、芯片、二极管、电感这几个器件要紧紧挨在一起。它们围成的圈(回路)越小越好,否则会向外发射电磁干扰,影响ADC采集。
3.换层打孔 (Vias) :
如果电源线需要从顶层穿到底层,不要只打一个过孔 。
做法: 打 3-4 个过孔组成的"过孔矩阵",减少寄生电阻,也能承载更大电流。
4.铺铜 (Copper Pour) :
板子上的空余区域全部铺上 GND (地)。电源回路最终都要回流到地,大面积铺地能降低阻抗,散热也更好。
三、LDO、DCDC
3.1 LDO介绍
LDO 的全称是 Low Dropout Regulator (低压差线性稳压器),我们只需要把它理解为:一个能够把较高的电压(如5V),变成较低且稳定的电压(如3.3V)的"降压阀"。

上图是常用的LDO芯片AMS1117
3.1.1 LDO工作原理

中学时,我们做过滑动变阻器调节灯泡亮度的实验,灯泡太亮,就调大滑动变阻器的阻值;灯泡太暗,就调小滑动变阻器的阻值。这其实用到了"负反馈调节"。

上图为LDO芯片内部结构框图,可以把 LDO 想象成一个智能的可变电阻,挡在输入电源和负载之间。
来看这种场景,输入电源 V I N V_{IN} VIN为 5V 来自USB,目标输出 V O U T V_{OUT} VOUT为 3.3V 给单片机供电,LDO需要挡在中间,吃掉多余的1.7V电压。
输入电压是波动的,那么LDO这个"电阻"需要自动调整阻值。
- 先来看LDO芯片内部结构各模块的功能,电压基准,由二极管对输入电压进行钳位得到。
- 集成运算放大器 ,运算即 运放的输入 ( V I N ) = 同相输入端电压 ( V + ) − 反向输入端电压 ( V − ) 运放的输入(V_{IN}) = 同相输入端电压(V_+) - 反向输入端电压(V_{-}) 运放的输入(VIN)=同相输入端电压(V+)−反向输入端电压(V−)。 放大,就是 运放输出端电压 ( V O U T ) = β ∗ 输入电压 ( V I N ) 运放输出端电压(V_{OUT}) = \beta * 输入电压(V_{IN}) 运放输出端电压(VOUT)=β∗输入电压(VIN)。
输出电压不能超过运放的电源电压。 当 V+ 大于 V-,那集成运放的输出就是一个高电平。 - 这个VT是一个PNP型的三极管,它可看作一个可变电阻,受基极电压的控制,当基极电压增大的时候,它的电阻也会增大;反之减小。
- V+由采样电路 得到, V + = V O U T ∗ R 2 / ( R 1 + R 2 ) V_+ = V_{OUT}*R_2/(R_1+R_2) V+=VOUT∗R2/(R1+R2)。
如果输出电压大,那么运算放大器的输出大,三极管VT的基极电压变大,其阻值变大,从而输出电压 V O U T V_{OUT} VOUT变小。
反之,输出电压小,三极管VT的基极电压变小,其阻值变小,从而输出电压 V O U T V_{OUT} VOUT变大。
这个过程与灯泡亮度调节一致,都是"负反馈调节",从而得到一个稳定的输出电压。
这也说明了为什么LDO会发热
3.1.2 LDO的电气特性
LDO的电气特性
- LDO外围器件少,电路简单,成本低,通常只需要一两个旁路电容
- LDO负载响应快,输出纹波小,噪声小
- LDO效率低,输入输出压差不能太大
- LDO只能降压
- LDO输出电流有限,最高可能就只有几A
在选型时,打开数据手册,我们需要关注 4 个参数,Vout (输出电压),Vin (输入电压范围),Imax (最大输出电流),Package (封装) 。
如果压差大,必须换用 DC-DC 芯片。LDO 只适合小压差(5V->3.3V)或极小电流。
LDO 的电路非常简单,核心只有两个电容。
输入端 (Vin) : 放置一个 10uF 电容 (滤除电源波动)。
输出端 (Vout) : 放置一个 22uF 电容 + 一个 100nF (0.1uF) 电容。
注意: 输出电容不仅是滤波,更是为了防止 LDO 自激振荡(如果不加输出电容,LDO 输出的电压可能会变成波浪线,导致单片机复位)。
3.2 DCDC电路
3.2.1 DCDC概念
DC/DC转换器 一种是开关电源稳压器,指利用电容、电感的储能的特性,通过可控开关(MOSFET等)进行高频开关的动作 ,将输入的电能储存在电容(感)里,当开关断开时,电能再释放给负载,提供能量。

如图所示,如果我们要调节灯泡的亮度,那么可以通过不停的闭合和断开开关做到,即PWM调制,闭合时间长,即PWM占空比高,灯泡亮;反之灯泡变暗。
只要你开关的切换的速度(频率) 和 每次闭合时间(占空比) 控制得好,灯泡的亮度就能维持在你想要的范围。
但是这种方波信号,波动太大,显然不能直接拿来使用。
DCDC的工作原理,与之类似,它是靠"搬运"能量工作的,所以它有了 LDO 做不到的能力。
- 高效率降压 (Buck): 12V 变 5V,LDO 会发烫,DC-DC 几乎不热(效率可达 90% 以上)。
- 升压 (Boost): 这是 LDO 绝对做不到的。 它可以把 3.7V 锂电池升压到 5V 给手机充电,或者升到 12V 驱动电机。
- 负压 (Inverting): 把 +5V 变成 -5V(给运放供电)。
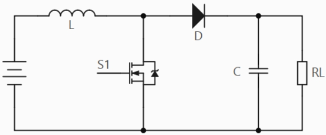
3.2.2 BUCK电路

BUCK电路 (Buck Converter),中文叫降压式变换器 。它能高效地把高电压(如 12V)变成低电压(如 5V),且尽量不发热。
这个电路中,有四个核心元件:
- 开关管 (MOSFET)------搬运工: DC-DC 芯片本身,负责控制开关的速度(频率)和时间(占空比)。即接通和断开输入电源。
- 电感 (Inductor) ------ 能量仓库 :这是 DC-DC 的灵魂。当开关接通时,电感把电能转化成磁能存起来 ;当开关断开时,电感把磁能变回电能释放出来。它把"一股一股"的电流变得平滑一些。
- 二极管 (Diode) ------ 续流阀: 当开关断开时,电感里的能量要释放,必须有个回路。二极管就是给电流提供回路的。
- 电容 (Capacitor) ------ 水库: 输入电容防止大电流把电源拉低,输出电容滤除那些"波纹",让电压变平。
假设我们要把 12V 变成 5V
阶段一:开关接通------ 给电感充能
控制器让开关管(MOSFET)导通,电流路径: 12V电源 -> MOS管 -> 电感L -> 负载(RL) -> 地
电流流过电感。因为电感有个特性叫"阻碍电流变化"(楞次定律),电流不会瞬间飙升,而是缓慢上升 。
这个时候,电感正在把电能转化成磁能存起来。
负载得到供电。
阶段二:开关断开------ 电感释放能量
控制器让开关管(MOSFET)断开,12V电源被切断了。
电感把刚才存的磁能释放出来,变成电能,强行维持电流的方向不变 。
电流从哪回流?这就需要二极管(或同步整流的下管MOS)提供一个回路。
续流回路 : 电感 -> 负载 -> 二极管 -> 电感 。
在这个阶段,负载消耗的是电感里存的"老本"。电流会缓慢下降。
阶段三:快速循环 (PWM)
只要我们把"接通"和"断开"的速度搞得非常快 ,电流就会在"缓慢上升"和"缓慢下降"之间微小波动(这就是纹波 )。
最终,通过电容的滤波,输出端就得到了一个稳定的平均电压。
我们怎么把 12V 变成 5V,而不是 6V 或 8V?
这靠的是控制"MOS管导通"的时间占比,即占空比 (Duty Cycle)。
如果想输出 6V(正好是 12V 的一半):就让开关开 50% 的时间,关 50% 的时间。
注意事项:
DC-DC 工作时,电流是脉冲式的,频率很高(几百 kHz 到几 MHz)。如果 PCB 走线画不好,这块板子就是一个巨大的电磁干扰源(EMI),会让你的单片机死机,ADC 乱跳。
- 输入回路尽量小 ,输入电容->芯片输入脚->GND,这三个点围成的圈(面积)要越小越好!输入电容要紧紧挨着芯片放。
- 功率回路短粗,芯片 -> 电感 -> 输出 的连线走的是大电流,线要粗。电感下方不要走其他信号线(因为电感会像天线一样发射磁场)。
- DC-DC 芯片通常有个 FB 引脚,用来检测输出电压。这根线很敏感,要从输出电容后面引出来,避开电感和开关节点(SW Node),这就是"开尔文连接"的简化版。
3.2.3 BOOST 电路

BOOST电路 (Boost Converter),中文叫升压式变换器。它可以把较低的输入电压(如 3.7V 锂电池),提升到较高的输出电压(如 5V 或 12V)。
核心比喻:水锤效应 (或者"急刹车")
为了理解 BOOST,我们想象一根很长的水管(电感),水在里面流得很快。
- 加速: 你让水疯狂流动,速度越来越快(积攒动能)。
- 急刹车 : 突然,你把水管末端堵住!
- 后果 : 因为惯性,流动的水停不下来,会狠狠地撞击堵塞处,瞬间产生一个比水源压力高得多 的压力峰值。这在物理上叫"水锤效应"。
BOOST 电路就是利用这个"急刹车"产生的"高压",通过单向阀门(二极管),存到高处的蓄水池(电容)里去。
BOOST电路核心器件与BUCK电路一样,但是它们在电路中的位置变了:
- 电感 (Inductor) : 这次它在输入端。它是产生高压的源头。
- 开关管 (MOSFET) : 它接在电感后面,另一头直接接地。它的作用是制造"短路"来给电感加速。
- 二极管 (Diode): 接在输出端,防止高压电流倒流回输入端。
- 电容 (Capacitor): 维持输出电压稳定。
假设输入是 3V,我们要得到 5V。
阶段一:开关接通 ------ 蓄力 (短路充电)
控制器让 MOSFET(S1) 导通,直接把电感的后端接地(GND)。
电流路径: 3V电源 -> 电感L -> 开关管S1 -> 地。
这个电路短暂的短路 了,因为电感的阻碍作用,电流不会无穷大 ,而是线性增加。电感吸取能量,转化成磁场存起来。此时,电感就像一个被压缩的弹簧。
阶段二:开关断开------ 叠加 (释放高压)
控制器突然把 MOSFET 关断,通往地的路断了,电流只能往后面流。
电流路径: 3V电源 -> 电感L -> 二极管D->负载RL->3V电源
电感瞬间把刚才存的磁能释放出来,变成感应电动势(电压)。
关键点(叠加原理) : 此时电感变成了一节电池。而且这节"电感电池"是和"输入电源"串联 的!
这个叠加后的高电压冲过二极管,给输出电容充电,电压就升高了。
和 BUCK 一样,BOOST 也是靠 PWM 占空比来控制电压的。
V A = 1 / ( 1 − D u t y ) ∗ V I N V_A = 1/(1-Duty)*V_{IN} VA=1/(1−Duty)∗VIN
如果占空比 Duty = 0.5 (50%): (升压2倍)。
如果占空比 Duty= 0.7: 电压升得更高。
原理:开关接通(蓄力)的时间越长,电感存的能量越多,断开时产生的"反弹力"(电压)就越猛。
BOOST 电路在设计时有一些独特的风险点
- 输出回路是干扰源,在 BOOST 电路里,输出端(二极管 -> 输出电容 -> 地)是电流跳变最剧烈的地方。这个回路面积要画得最小!
- 短路即炸,输入电源经过电感、二极管直接连到输出。如果你的输出端(5V)不小心短路到地,输入电源(电池)就直接短路了!通常需要在输入端加保险丝。
BUCK 是"把大块能量切成小块" ,所以电压低了。
BOOST 是"先把能量积攒起来,然后和电源一起叠罗汉",所以电压高了。
DCDC开关电源电气特性:
- DC-DC外围器件多,电路复杂,成本高
- DC-DC负载响应比LDO慢,输出纹波大,噪声大
- DC-DC效率高,输入电压范围宽泛
- DC-DC支持降压和升压
- DC-DC输出电流高,功率大
LDO 是靠发热来降压,适合低压差、小电流、高精度。
DC-DC 是靠开关来搬运,适合大压差、大电流、高效能,或者升压。
什么时候用LDO,什么时候用DCDC
| 比较项目 | LDO | DC-DC |
|---|---|---|
| 压差 | 适合小压差 (如 5V->3.3V) | 适合大压差 (如 24V->5V) |
| 电流 | 适合小电流 (<500mA) | 适合大电流 (1A, 3A, 5A...) |
| 效率 | 差 (发热严重) | 高 (省电,不热) |
| 电源纯净度 | 极好 (适合 ADC/音频) | 差 (有纹波,有噪声) |
| 电路复杂度 | 简单 (2个电容) | 复杂 (电感+二极管+电容) |
| 限制 | 只能降压 输入输出电压有限制 | 输出电压纹波大 开关噪声严重 |
四、基准电压源
基准电压源 (Voltage Reference) ,简称 Vref。是一种能提供稳定、精确、不随温度、负载、电源电压变化而波动的电压源。它是电路板上的一把"钢尺"。
普通的电源(如 LDO 输出的 3.3V)虽然叫"稳压器",但实际上它像是一把皮尺,虽然大概是 3.3V,但会随着温度变化、负载大小、输入波动而热胀冷缩。
而基准电压源 ,就是为了在任何极其恶劣的环境下,都能提供一个雷打不动、绝对精准的电压值(比如 2.500V),供 ADC/DAC 进行测量对比。

上图所示下方的ADC模块,就应用了基准电压源VREF。
4.1 使用基准电压源的优势
想象一下,你要测量一个桌子的长度(模拟信号)。
用 VCC 做参考 : 就像拿一把橡皮筋 做的尺子去量。今天天气热,橡皮筋变长了(VCC 从 3.3V 漂移到了 3.35V),你量出来的桌子数值就变小了。结果不准 !
用 Vref 做参考 : 就像拿一把不锈钢 做的尺子去量。不管天气多热,它永远是标准的长度。结果精准!
ADC (模数转换): ADC 读出的数字 = (输入电压 / 参考电压) × 4096。如果分母(参考电压)在乱跳,算出来的数字肯定错。
所以在使用STM32的ADC时,我们在初始化部分都会进行校准。
4.2 基准电压源TL431
基准电压源主要分两大类,就像 LDO 有两类一样:
- 并联型 (Shunt Reference) ------ 类似"稳压二极管"
2)串联型 (Series Reference) ------ 类似"LDO"
以并联型基准电压源 TL431 为例,介绍它的原理。

下面看它简化后的原理图

稳压二极管就像一个固定压力的泄压阀。比如 5.1V 的稳压管,当电压超过 5.1V 时,它就导通(漏气),把多余的电压泄放到地,从而维持电压稳定。但它的电压是固定的,而且精度不高
TL431 也是一个泄压阀 ,但它的"起跳压力"是你自己可以通过电阻随便设定的(从 2.5V 到 36V 都可以)。而且,它极其精准,反应极其灵敏。
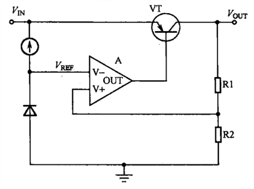
我们可以把 TL431 看作一个闭环控制系统,看右图,它就是左图的稳压二极管 :
1)当 R 脚电压 < 2.5V 时,运放发现"外部电压还不够高",运放输出低电平,关闭三极管(阀门关紧)。
K 极和 A 极之间不导通(阻抗无穷大),电流流不过去。
2)当 R 脚电压 > 2.5V 时,运放发现"外部电压超标了!",运放输出高电平,打开三极管(阀门泄洪)。
K 极和 A 极之间剧烈导通,电流从 K 流向 A(流向地),把电压拉下来。
最终,TL431 会疯狂调整三极管的导通程度,拼命让 R 脚的电压维持在 2.5V。

通过调整R1和R2,就可获得想要的VKA,范围是2.5V~36V
五、滤波电容

在设计电路时,参考电路总是在电源引脚附近加100nf电容。

这是因为理想的电源是平滑的,但是实际电路中,会存在各种噪声以及电源纹波。

加上电容的作用是去耦和滤波,得到平滑的电源输入。
总结
学完了这个部分,深感开关电源的重要性,后续可以专门学习一下。
PCB的设计不是简单的布线,还要考虑干扰,以及数电、模电、电子等知识,这里先暂时有个认识,在后面的学习,逐步去了解、掌握。