在汽车智能化趋势中,高度集成与微型化的集成电路(IC)已成为关键组件。这些芯片不仅要经受复杂路况的严峻挑战,还需抵抗静电放电(ESD)引发的电磁干扰,保证电磁兼容(EMC)性能的稳定。作为电子设备最常见的电磁干扰来源,ESD的防护设计直接决定汽车IC的可靠性及使用寿命。本文通过行业实例与先进技术,解析汽车IC的ESD防护思路与优化策略。
一、ESD干扰的双重威胁:传导与辐射的双重夹击
ESD对汽车IC的干扰主要通过两条路径蔓延,如同隐形的"破坏者"渗透系统核心。
传导耦合是信号链路的直接威胁。当ESD电压通过I/O端口侵入时,会在信号线上产生瞬态过电压,形成共模电流并沿接地平面扩散。根据IEEE 1624-2004标准,2kV接触放电可在1ns内产生10A以上脉冲电流,在汽车LIN接口的物理层中,传导干扰极易引发IC引脚电压超过承受极限,直接损害信号传输的可靠性,甚至导致器件损坏。
辐射耦合则通过空间电磁场形成宽带干扰。ESD放电回路产生的瞬态电磁场覆盖30MHz-1GHz频段,通过近场电容或电感耦合干扰敏感电路。某国外相关研究所实验显示,0.3m距离的8kV空气放电可使20cm内射频模块灵敏度下降12dBμV/m。对于汽车雷达、无线充电等高频模块,这种辐射干扰会严重影响功能精度。
二、汽车IC的特殊挑战:ESD与EMC的平衡难题
汽车IC的ESD防护面临独特困境:既要实现优异的ESD防护性能,又要控制器件体积以适应集成化需求,同时不能牺牲EMC表现。某半导体的相关案例研究揭示了这一矛盾的复杂性。
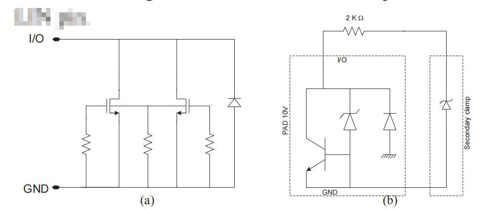
案例一:LIN 物理层 DPI 损伤测试失效
某汽车LIN物理层为满足传导和辐射发射要求,采用RC网络实现信号斜率控制与波形整形,却意外降低了直接功率注入(DPI)测试中的抗干扰能力。初始ESD器件在35.5dBm注入功率时即被触发,36dBm时出现接地短路损坏。仿真显示,DPI事件中ESD结构触发负电压达-48V,低于负向ESD阈值,引发回弹效应导致器件失效。
LIN 输出级采用低侧功率 MOSFET,配备二极管 D1 实现反向极性保护,齐纳二极管将 VGS 钳位在 5V(功率 MOSFET 的最大额定值),2 千欧电阻兼具 ESD 栅极保护与射频干扰抑制功能。

注:(a) 常规 LIN 输出级;(b) DPI 注入时的电流路径
案例二:双芯片封装传导发射超标
暴露了ESD结构对传导发射的影响。双芯片封装中,用于芯片间时钟信号的2.5V ESD器件在快速瞬态过程中,瞬态电流经由电容耦合进入基板,引发的噪声侵入LIN引脚,造成传导发射超出标准。这表明,即使ESD器件本身性能优异,若设计不当仍会成为EMC干扰源。

注:(a) 标准数字式 2.5V ESD 结构;(b) 带次级钳位的 ESD10V 结构
三、三级防护体系:从器件到系统的全面优化
针对汽车IC的特殊需求,需构建"电路级防护+PCB优化+策略适配"的三级防护体系,实现ESD与EMC性能的协同提升。
1. 电路级防护:器件选型与参数优化
电路级防护推荐"TVS二极管+压敏电阻+磁珠"的组合方案。
端口级采用20kA TVS二极管(如SMBJ33A),钳位电压≤36V,快速吸收瞬态能量;
电源级搭配1000V压敏电阻(MOV-07D471K),限制残压保护供电链路;
芯片级串联0402规格磁珠(100Ω@100MHz),抑制高频噪声耦合。
针对 DPI 测试失效问题,可通过优化ESD器件参数解决:将击穿电压从-41V/+45V调整为-53V/+53V,避免DPI测试中负向触发,使器件通过36dBm损伤测试。

注:新ESD器件LIN输出级的DPI表征结果
2. PCB Layout 优化:减少干扰传播路径
PCB 布局直接影响 ESD 干扰的耦合与泄放效率,需遵循以下核心要点:
接地平面阻抗需控制在50mΩ以下,采用完整地平面设计降低干扰传播路径;
敏感电路与I/O端口间距≥200mil,关键信号线采用包地处理,减少耦合干扰;
防护元件的接地过孔直径≥0.3mm,且数量不少于2个,确保泄放通道通畅。
对于多芯片封装,可采用带次级钳位的ESD结构,通过串联电阻与5V齐纳二极管的组合,避免基板注入效应引发的发射超标。
3. 系统级策略:全流程标准化管控
ESD 防护需贯穿 IC 设计、测试、验证全流程,建立标准化体系:
在概念设计阶段即确定ESD防护方案,将抗扰度指标纳入关键质量特性(CTQ)管理;
开发阶段引入DFMEA分析,预判潜在干扰风险;
测试环节严格遵循IEC 61000-4-2标准,通过30kV接触放电和15kV空气放电测试;
指标管控:将抗扰度指标纳入 CTQ(关键质量特性)管理,针对 6GHz 无线充电等高频场景扩展测试带宽。
四、前沿技术:纳米涂层开启防护新维度
随着汽车IC集成度不断提升,传统防护方案面临体积与性能的双重瓶颈,纳米材料技术提供了创新思路。某国外科学技术院研发的石墨烯/碳纳米管复合涂层,厚度仅5μm,却能使ESD击穿电压提升至45kV,同时保持90%的可见光透过率。这种涂层可直接应用于柔性显示屏、传感器等敏感部件表面,在不影响器件功能的前提下构建高效防护屏障。
在汽车电子行业,这项技术正逐渐兴起,特别适用于新能源汽车的车载显示屏、自动驾驶传感器等精密部件。其优势在于无需改变芯片内部结构,通过表面涂层即可实现防护升级,完美适配汽车IC微型化、集成化的发展趋势。
汽车IC的ESD防护已不再是单一的器件级设计问题,而是涉及电路、结构、系统的综合性工程。既要通过精准的器件选型与参数优化解决即时干扰问题,又要借助PCB布局与系统策略构建长效防护机制,同时可探索纳米涂层等前沿技术突破性能瓶颈。
实践证明,通过科学的防护体系设计,某智能设备ESD测试通过率从65%提升至98%,辐射骚扰指标全面达标。随着汽车电子行业朝着高度集成和高可靠性方向快速发展,ESD防护将始终发挥关键作用,成为企业争夺市场主导地位的核心竞争力之一。未来,随着材料技术与设计理念的革新,汽车IC的电磁兼容性能将迎来更全面的保障。