
🔥小龙报:个人主页
🎬作者简介:C++研发,嵌入式,机器人等方向学习者
❄️个人专栏:《SOLIDWORKS 练习题》
✨ 永远相信美好的事情即将发生

文章目录
- 前言
- 一、带座轴承
-
- [1.1 题目来源](#1.1 题目来源)
- [1.2 作图灵感](#1.2 作图灵感)
- [1.3 范例](#1.3 范例)
- [1.4 绘制结果(打卡)](#1.4 绘制结果(打卡))
- 1.4总结
- 每日励志
前言
草图是SOLIDWORKS最基础的功能,巩固草图绘制技巧对零件、装配体学习十分必要!我们将通过SOLIDWORKS的草图功能绘制一系列题目如带座轴承、GAME BOY等(绘制好后请保存好)。来学习软件的草图功能,为后续打下坚实基础
注:大家也可以去b站看视频学习本系列只记录博主的学习过程会比较粗糙,题目来源B站阿奇博主
一、带座轴承

1.1 题目来源
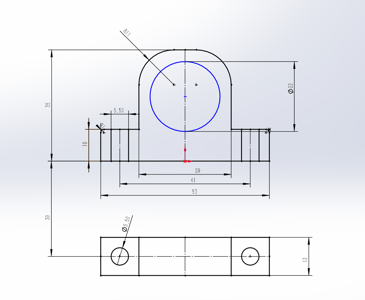
带座轴承,型号为米思米C-BGHKA 608ZZ 20。

1.2 作图灵感
此草图是一个带座轴承的正视图与俯视图轮廓。需要运用草图几何关系来完成绘制。
先画左边或右边的一半,再利用草图镜像功能将草图镜像过去。别傻傻的全部画完哦!画完后几何关系会很多,这是正常现象。
1.3 范例

1.4 绘制结果(打卡)

1.4总结
这道题画下来博主总体感觉还是比较简单,继续加油!
每日励志
