
等精度测量法的误差来自于标准时钟信号

复位信号的作用是给数据赋初值,还有一个是被测时钟信号

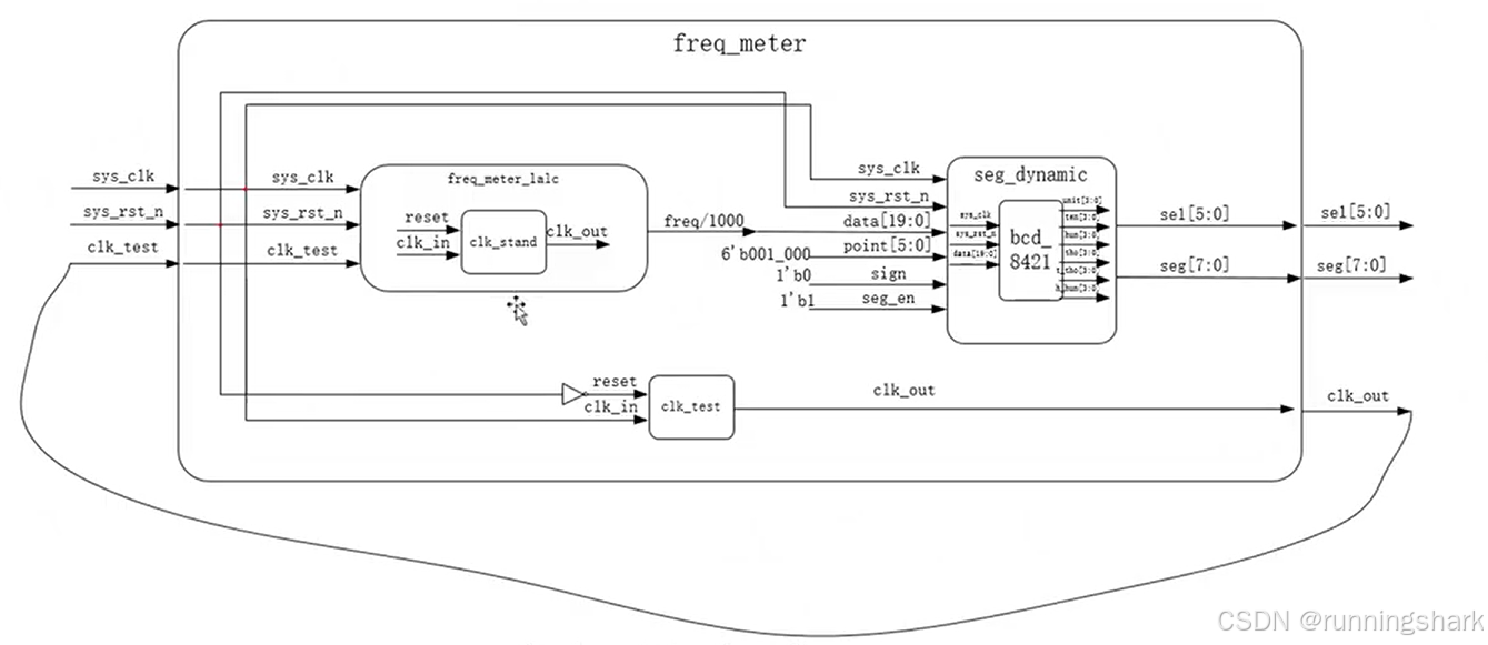
顶层模块框图绘制
子模块主要分为两大块,第一个是通过等精度测量法对频率进行测量。第二是将测量结果进行显示。

等精度测量子模块设计,内部需要一个IP核来产生标准时钟信号。
为什么要产生标准时钟信号

数码管子模块设计

系统框图
在整个1s的时间内拉高我们的软件闸门,软件闸门实际时间是1.5s,有0.25用来拉低电平和计算
因为使用的是时序逻辑,所以会延后一个周期。


这里除以20ns是因为50MHz的时钟
0.25s换算成ns单位,就是乘一个十的九次方,然后除以我们的时钟。


这里设置一个IP核来产生标准时钟信号。

IP核模版文件应用。
`timescale 1ns/1ns
////////////////////////////////////////////////////////////////////////
// Author : EmbedFire
// 实验平台: 野火FPGA系列开发板
// 公司 : http://www.embedfire.com
// 论坛 : http://www.firebbs.cn
// 淘宝 : https://fire-stm32.taobao.com
////////////////////////////////////////////////////////////////////////
module freq_meter_calc
(
input wire sys_clk , //系统时钟,频率50MHz
input wire sys_rst_n , //复位信号,低电平有效
input wire clk_test , //待检测时钟
output reg [33:0] freq //待检测时钟频率
);
//********************************************************************//
//****************** Parameter And Internal Signal *******************//
//********************************************************************//
//parameter define
parameter CNT_GATE_S_MAX = 28'd74_999_999 , //软件闸门计数器计数最大值
CNT_RISE_MAX = 28'd12_500_000 ; //软件闸门拉高计数值
parameter CLK_STAND_FREQ = 28'd100_000_000 ; //标准时钟时钟频率
//wire define
wire clk_stand ; //标准时钟,频率100MHz
wire gate_a_fall_s ; //实际闸门下降沿(标准时钟下)
wire gate_a_fall_t ; //实际闸门下降沿(待检测时钟下)
//reg define
reg [27:0] cnt_gate_s ; //软件闸门计数器
reg gate_s ; //软件闸门
reg gate_a ; //实际闸门
reg gate_a_stand ; //实际闸门打一拍(标准时钟下)
reg gate_a_test ; //实际闸门打一拍(待检测时钟下)
reg [47:0] cnt_clk_stand ; //标准时钟周期计数器
reg [47:0] cnt_clk_stand_reg ; //实际闸门下标志时钟周期数
reg [47:0] cnt_clk_test ; //待检测时钟周期计数器
reg [47:0] cnt_clk_test_reg ; //实际闸门下待检测时钟周期数
reg calc_flag ; //待检测时钟时钟频率计算标志信号
reg [63:0] freq_reg ; //待检测时钟频率寄存
reg calc_flag_reg ; //待检测时钟频率输出标志信号
//********************************************************************//
//***************************** Main Code ****************************//
//********************************************************************//
//cnt_gate_s:软件闸门计数器
always@(posedge sys_clk or negedge sys_rst_n)
if(sys_rst_n == 1'b0)
cnt_gate_s <= 28'd0;
else if(cnt_gate_s == CNT_GATE_S_MAX)
cnt_gate_s <= 28'd0;
else
cnt_gate_s <= cnt_gate_s + 1'b1;
//gate_s:软件闸门
always@(posedge sys_clk or negedge sys_rst_n)
if(sys_rst_n == 1'b0)
gate_s <= 1'b0;
else if((cnt_gate_s>= CNT_RISE_MAX)
&& (cnt_gate_s <= (CNT_GATE_S_MAX - CNT_RISE_MAX)))
gate_s <= 1'b1;
else
gate_s <= 1'b0;
//gate_a:实际闸门
always@(posedge clk_test or negedge sys_rst_n)
if(sys_rst_n == 1'b0)
gate_a <= 1'b0;
else
gate_a <= gate_s;
//cnt_clk_stand:标准时钟周期计数器,计数实际闸门下标准时钟周期数
always@(posedge clk_stand or negedge sys_rst_n)
if(sys_rst_n == 1'b0)
cnt_clk_stand <= 48'd0;
else if(gate_a == 1'b0)
cnt_clk_stand <= 48'd0;
else if(gate_a == 1'b1)
cnt_clk_stand <= cnt_clk_stand + 1'b1;
//cnt_clk_test:待检测时钟周期计数器,计数实际闸门下待检测时钟周期数
always@(posedge clk_test or negedge sys_rst_n)
if(sys_rst_n == 1'b0)
cnt_clk_test <= 48'd0;
else if(gate_a == 1'b0)
cnt_clk_test <= 48'd0;
else if(gate_a == 1'b1)
cnt_clk_test <= cnt_clk_test + 1'b1;
//gate_a_stand:实际闸门打一拍(标准时钟下)
always@(posedge clk_stand or negedge sys_rst_n)
if(sys_rst_n == 1'b0)
gate_a_stand <= 1'b0;
else
gate_a_stand <= gate_a;
//gate_a_fall_s:实际闸门下降沿(标准时钟下)
assign gate_a_fall_s = ((gate_a_stand == 1'b1) && (gate_a == 1'b0))
? 1'b1 : 1'b0;
//cnt_clk_stand_reg:实际闸门下标志时钟周期数
always@(posedge clk_stand or negedge sys_rst_n)
if(sys_rst_n == 1'b0)
cnt_clk_stand_reg <= 32'd0;
else if(gate_a_fall_s == 1'b1)
cnt_clk_stand_reg <= cnt_clk_stand;
//gate_a_test:实际闸门打一拍(待检测时钟下)
always@(posedge clk_test or negedge sys_rst_n)
if(sys_rst_n == 1'b0)
gate_a_test <= 1'b0;
else
gate_a_test <= gate_a;
//gate_a_fall_t:实际闸门下降沿(待检测时钟下)
assign gate_a_fall_t = ((gate_a_test == 1'b1) && (gate_a == 1'b0))
? 1'b1 : 1'b0;
//cnt_clk_test_reg:实际闸门下待检测时钟周期数
always@(posedge clk_test or negedge sys_rst_n)
if(sys_rst_n == 1'b0)
cnt_clk_test_reg <= 32'd0;
else if(gate_a_fall_t == 1'b1)
cnt_clk_test_reg <= cnt_clk_test;
//calc_flag:待检测时钟时钟频率计算标志信号
always@(posedge sys_clk or negedge sys_rst_n)
if(sys_rst_n == 1'b0)
calc_flag <= 1'b0;
else if(cnt_gate_s == (CNT_GATE_S_MAX - 1'b1))
calc_flag <= 1'b1;
else
calc_flag <= 1'b0;
//freq_reg:待检测时钟信号时钟频率寄存
always@(posedge sys_clk or negedge sys_rst_n)
if(sys_rst_n == 1'b0)
freq_reg <= 64'd0;
else if(calc_flag == 1'b1)
freq_reg <= (CLK_STAND_FREQ * cnt_clk_test_reg / cnt_clk_stand_reg);
//calc_flag_reg:待检测时钟频率输出标志信号
always@(posedge sys_clk or negedge sys_rst_n)
if(sys_rst_n == 1'b0)
calc_flag_reg <= 1'b0;
else
calc_flag_reg <= calc_flag;
//freq:待检测时钟信号时钟频率
always@(posedge sys_clk or negedge sys_rst_n)
if(sys_rst_n == 1'b0)
freq <= 34'd0;
else if(calc_flag_reg == 1'b1)
freq <= freq_reg[33:0];
//********************************************************************//
//*************************** Instantiation **************************//
//********************************************************************//
//---------- clk_gen_inst ----------
clk_gen clk_gen_inst
(
.reset (~sys_rst_n ),
.clk_in1 (sys_clk ),
.clk_out1 (clk_stand )
);
endmodule

IP核需要全局缓冲
IP核的复位信号是高电平有效
`timescale 1ns/1ns
////////////////////////////////////////////////////////////////////////
// Author : EmbedFire
// 实验平台: 野火FPGA系列开发板
// 公司 : http://www.embedfire.com
// 论坛 : http://www.firebbs.cn
// 淘宝 : https://fire-stm32.taobao.com
////////////////////////////////////////////////////////////////////////
module freq_meter
(
input wire sys_clk , //系统时钟,频率50MHz
input wire sys_rst_n , //复位信号,低电平有效
input wire clk_test , //待检测时钟
output wire clk_out //生成的待检测时钟
);
//wire define
(* keep = "true" *) wire [33:0] freq ; //计算得到的待检测信号时钟频率
//********************************************************************//
//*************************** Instantiation **************************//
//********************************************************************//
//---------- clk_gen_test_inst ----------
clk_test_gen clk_gen_test_inst
(
.reset (~sys_rst_n ), //复位端口,高电平有效
.clk_in1 (sys_clk ), //输入系统时钟
.clk_out1 (clk_out ) //输出生成的待检测时钟信号
);
//------------- freq_meter_calc_inst --------------
freq_meter_calc freq_meter_calc_inst
(
.sys_clk (sys_clk ), //系统时钟,频率50MHz
.sys_rst_n (sys_rst_n ), //复位信号,低电平有效
.clk_test (clk_test ), //待检测时钟
.freq (freq ) //待检测时钟频率
);
ila_0 ila_inst (
.clk (sys_clk ), // input wire clk
.probe0 (freq ) // input wire [33:0] probe0
);
endmodule
这里主要是为了频率测量模块
但是使用除法会消耗比较多的逻辑资源