一、I2S音频接口基础
什么是I2S?
I2S(Inter-IC Sound)是一种专为数字音频设备间数据传输设计的串行总线标准,由飞利浦公司(现恩智浦)提出。它解决了数字音频在芯片间传输时的同步问题,具有独立的时钟和数据线,避免了模拟信号传输中的噪声干扰。
I2S核心信号线:
| 信号线 | 功能描述 | 典型频率关系 |
|---|---|---|
| BCLK | 位时钟信号,同步数据位传输 | 采样率 × 位宽 × 通道数 |
| LRCLK | 帧时钟(左右通道选择) | 等于音频采样率 |
| SDIN/SDOUT | 串行数据输入/输出线 | 传输PCM音频数据 |
| MCLK | 主时钟(可选),为编解码器提供参考时钟 | 通常为256×采样率 |
I2S工作模式:
-
主机模式:微控制器生成时钟信号,控制数据传输节奏
-
从机模式:微控制器接收外部时钟信号,被动响应
-
全双工模式:同时发送和接收音频数据
-
半双工模式:同一时间只能发送或接收
在本项目中,STM32F4作为I2S主机,控制麦克风输入和扬声器输出。
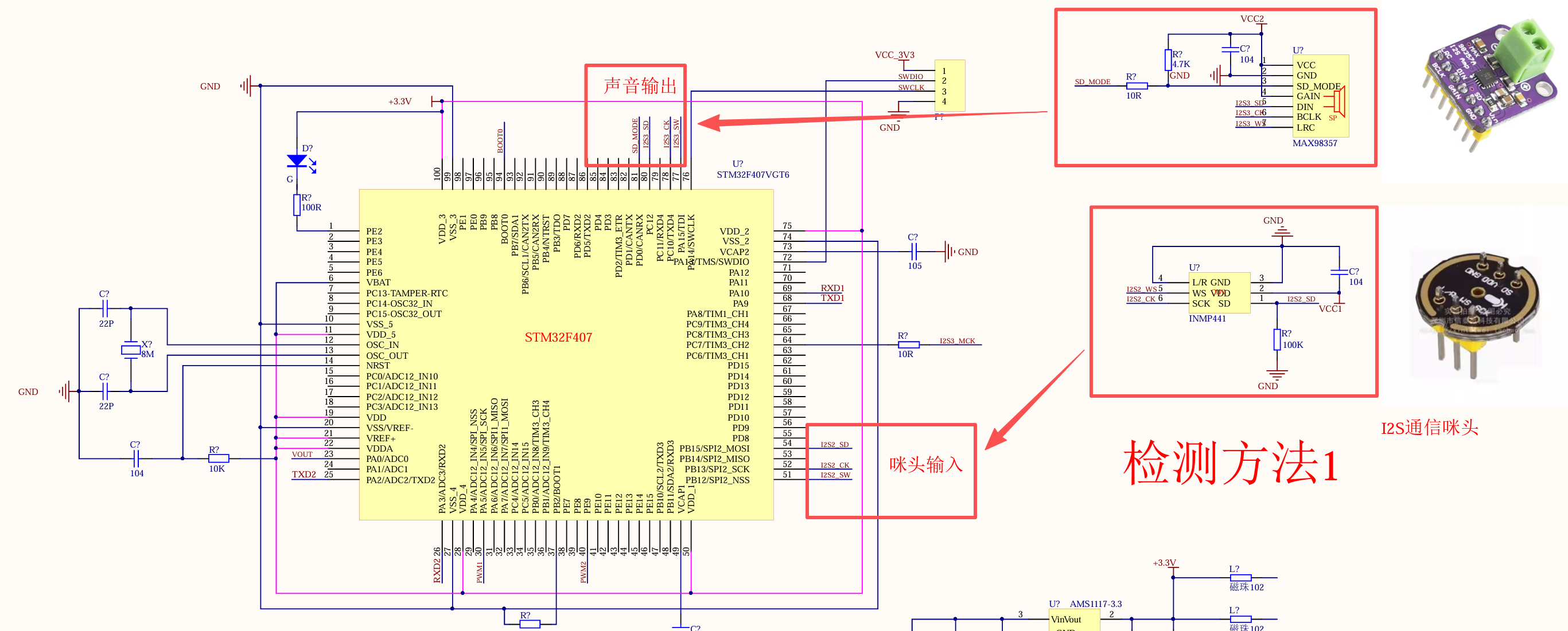
二、硬件设计关键
1. 核心组件介绍
STM32F407VET6
-
ARM Cortex-M4内核,168MHz主频
-
内置高性能I2S外设,支持全双工通信
-
丰富的DMA通道,实现零CPU占用音频传输
INMP441麦克风
-
全向MEMS数字麦克风
-
信噪比(SNR):61dB
-
灵敏度:-26dBFS
-
I2S接口输出,兼容3.3V电平
MAX98357A扬声器驱动
-
3.2W输出功率(4Ω负载)
-
无需外部DAC,直接接收I2S信号
-
超低底噪设计(-70dB)
2. 硬件连接图

三、软件实现详解
1.STM32CubeMX配置关键步骤
注意:I2S2对应的是INMP441全向麦克风的输入,I2S3对应的是MAX98357A喇叭的输出。
①.I2S2 参数设置(参考下图)

②.I2S2 DMA设置(参考下图)

③.I2S2 GPIO设置(参考下图)

④.I2S3 参数设置(参考下图)

⑤.I2S3 DMA设置(参考下图)

⑥.I2S3 GPIO设置(参考下图)

2. I2S外设初始化(由STM32CubeMX软件生成)
cpp
/* I2S2配置 (麦克风输入) */
void MX_I2S2_Init(void)
{
hi2s2.Instance = SPI2;
hi2s2.Init.Mode = I2S_MODE_MASTER_RX; // 主机接收模式
hi2s2.Init.Standard = I2S_STANDARD_PHILIPS;
hi2s2.Init.DataFormat = I2S_DATAFORMAT_32B; // 32位数据格式
hi2s2.Init.MCLKOutput = I2S_MCLKOUTPUT_DISABLE;
hi2s2.Init.AudioFreq = I2S_AUDIOFREQ_44K; // 44.1kHz采样率
hi2s2.Init.CPOL = I2S_CPOL_LOW;
hi2s2.Init.ClockSource = I2S_CLOCK_PLL;
HAL_I2S_Init(&hi2s2);
}
/* I2S3配置 (喇叭输出) */
void MX_I2S3_Init(void)
{
hi2s3.Instance = SPI3;
hi2s3.Init.Mode = I2S_MODE_MASTER_TX; // 主机发送模式
hi2s3.Init.Standard = I2S_STANDARD_PHILIPS;
hi2s3.Init.DataFormat = I2S_DATAFORMAT_32B;
hi2s3.Init.MCLKOutput = I2S_MCLKOUTPUT_DISABLE;
hi2s3.Init.AudioFreq = I2S_AUDIOFREQ_44K;
hi2s3.Init.CPOL = I2S_CPOL_LOW;
HAL_I2S_Init(&hi2s3);
}
3. DMA缓冲区配置与启动
cpp
#define AUDIO_BUFFER_SIZE 256 // 缓冲区大小(必须为2的幂)
// 32位对齐的DMA缓冲区
static uint32_t i2s2_rx_buffer[AUDIO_BUFFER_SIZE] __attribute__((aligned(32)));
static uint32_t i2s3_tx_buffer[AUDIO_BUFFER_SIZE] __attribute__((aligned(32)));
// 启动音频传输
void Start_Audio_Playback(void)
{
// 初始化发送缓冲区为静音
memset(i2s3_tx_buffer, 0, AUDIO_BUFFER_SIZE * sizeof(uint32_t));
// 启动发送DMA
HAL_I2S_Transmit_DMA(&hi2s3, (uint16_t*)i2s3_tx_buffer, AUDIO_BUFFER_SIZE);
// 等待DMA开始传输
while (__HAL_DMA_GET_COUNTER(&hdma_spi3_tx) == AUDIO_BUFFER_SIZE);
// 启动接收DMA
HAL_I2S_Receive_DMA(&hi2s2, (uint16_t*)i2s2_rx_buffer, AUDIO_BUFFER_SIZE);
}
4. DMA中断处理与数据同步
cpp
// 接收缓冲区前半部分完成
void HAL_I2S_RxHalfCpltCallback(I2S_HandleTypeDef *hi2s)
{
if(hi2s == &hi2s2) {
// 复制前半部分数据到发送缓冲区
memcpy(i2s3_tx_buffer,
i2s2_rx_buffer,
(AUDIO_BUFFER_SIZE/2) * sizeof(uint32_t));
}
}
// 接收缓冲区完全填满
void HAL_I2S_RxCpltCallback(I2S_HandleTypeDef *hi2s)
{
if(hi2s == &hi2s2) {
// 复制后半部分数据到发送缓冲区
memcpy(i2s3_tx_buffer + AUDIO_BUFFER_SIZE/2,
i2s2_rx_buffer + AUDIO_BUFFER_SIZE/2,
(AUDIO_BUFFER_SIZE/2) * sizeof(uint32_t));
}
}
// 发送完成回调(可做状态监控)
void HAL_I2S_TxCpltCallback(I2S_HandleTypeDef *hi2s)
{
if (hi2s->Instance == SPI3) {
// 可在此添加发送状态处理
}
}
5. I2S时钟精确配置(通过STM32CubaMX软件生成,也可手动调整)
cpp
void PeriphCommonClock_Config(void)
{
RCC_PeriphCLKInitTypeDef PeriphClkInitStruct = {0};
PeriphClkInitStruct.PeriphClockSelection = RCC_PERIPHCLK_I2S;
PeriphClkInitStruct.PLLI2S.PLLI2SN = 50; // PLL N multiplier
PeriphClkInitStruct.PLLI2S.PLLI2SR = 2; // PLL R divider
HAL_RCCEx_PeriphCLKConfig(&PeriphClkInitStruct);
}
6. 主(mian)程序
cpp
int main(void)
{
// 初始化外设
HAL_Init();
SystemClock_Config();
MX_GPIO_Init();
MX_DMA_Init();
MX_I2S2_Init();
MX_I2S3_Init();
// 启用MAX98357A功放(需要给芯片使能)
HAL_GPIO_WritePin(SD_MODE_GPIO_Port, SD_MODE_Pin, GPIO_PIN_SET);
// 启动音频传输
Start_Audio_Playback();
uint32_t last_update_time = 0;
while (1)
{
// 处理串口数据
RecvDataFromUart();
// LED闪烁指示系统运行
if (HAL_GetTick() - last_update_time >= 500) {
HAL_GPIO_TogglePin(LED2_GPIO_Port, LED2_Pin);
last_update_time = HAL_GetTick();
}
}
}
四、关键技术与优化
1. 双缓冲机制
bash
// 缓冲区工作示意图
+-------------------+ +-------------------+
接收缓冲区 | 前半部分 | => | 后半部分 (正在填充) |
+-------------------+ +-------------------+
↓ 复制数据 ↓ 复制数据
+-------------------+ +-------------------+
发送缓冲区 | 前半部分 | <= | 后半部分 (正在发送) |
+-------------------+ +-------------------+
2. 低延迟设计
-
缓冲区大小:256样本(44.1kHz下≈5.8ms延迟)
-
DMA传输:零CPU干预
-
内存对齐:32字节对齐加速内存拷贝
3. 时钟精确性
44.1kHz采样率所需时钟计算:
PLLI2S输出 = HSE(8MHz) × PLLI2SN / PLLM = 8 × 50 / 4 = 100MHz
I2S时钟 = PLLI2S输出 / PLLI2SR = 100MHz / 2 = 50MHz
实际采样率 = I2S时钟 / (32位×2通道) = 50MHz / 64 = 781.25kHz?
重要修正:实际采样率计算应考虑分频器配置:
I2S时钟 = 100MHz / (I2SDIV * 2) 44.1kHz = 100MHz / (I2SDIV * 2 * 32) => I2SDIV ≈ 35.43 (实际取整)
五、项目进阶与扩展
1. 音频处理扩展
cpp
// 在回调函数中添加音频处理
void HAL_I2S_RxCpltCallback(I2S_HandleTypeDef *hi2s)
{
if(hi2s == &hi2s2) {
// 音频处理示例:增益控制
for(int i = 0; i < AUDIO_BUFFER_SIZE/2; i++) {
int32_t sample = i2s2_rx_buffer[AUDIO_BUFFER_SIZE/2 + i];
sample = sample * 1.5; // 1.5倍增益
if(sample > 0x7FFFFFFF) sample = 0x7FFFFFFF;
if(sample < (int32_t)0x80000000) sample = (int32_t)0x80000000;
i2s3_tx_buffer[AUDIO_BUFFER_SIZE/2 + i] = sample;
}
}
}
六、开发注意事项
-
信号完整性
-
保持I2S信号线长度<10cm
-
使用双绞线或屏蔽线连接
-
必要时添加22Ω串行电阻
-
-
电源滤波
-
MIC和功放使用独立LDO供电
-
电源引脚添加100nF + 10μF退耦电容
-
-
时钟精度
-
优先使用外部晶振
-
精确计算PLL分频系数
-
使用示波器测量实际时钟频率
-
-
阻抗匹配
-
扬声器阻抗推荐4-8Ω
-
避免长时间满功率输出
-
七、项目总结
本文实现了基于STM32F407的完整数字音频采集与播放系统,本人已实践,播放出来的音质还可以,关键特性包括:
-
全数字路径:INMP441提供直接I2S输出,MAX98357A接受I2S输入
-
低延迟设计:优化DMA传输实现<10ms端到端延迟
-
高音质保证:32位音频数据处理,44.1kHz专业级音质
-
可扩展架构:易于添加音频处理、存储和网络功能
使用STM32CubeMX配置I2S和DMA可以节省大量开发时间,HAL库的DMA回调机制为实时音频处理提供了理想框架。这套方案不仅适用于音频实时回放,还可以扩展到语音识别、网络会议系统等应用场景。