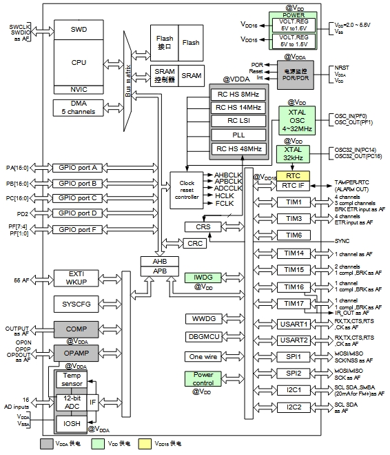
FT32F030F6AP7是辉芒微FT32F030xx系列中的入门级型号,采用TSSOP-20 小型封装,主打低成本、低功耗、高兼容 三大卖点。对于熟悉STM32的开发者而言,这颗芯片最大的吸引力在于寄存器级兼容STM32F030K6TP7------这意味着现有的STM32代码库、开发工具链(如Keil MDK、STM32CubeMX)几乎可以无缝迁移,大幅降低国产替代的学习成本。
核心规格速览:
| 参数 | 规格 |
|---|---|
| 内核 | ARM Cortex-M0,72MHz主频 |
| Flash | 32KB |
| SRAM | 4KB |
| 供电电压 | 2.0V ~ 5.5V(宽压设计) |
| 封装 | TSSOP-20(3mm×6.5mm) |
| 工作温度 | -40°C ~ +105°C |
关键外设与特色功能
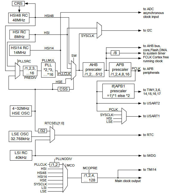
1. 时钟系统:灵活且精准
芯片内置多路时钟源,可根据应用场景灵活选择:
-
HSI48:48MHz高频内部RC,精度±1%,适合USB或无晶振应用
-
HSI8/HSI14:8MHz和14MHz内部RC,快速启动
-
HSE:支持4~32MHz外部晶振
-
LSE:32.768kHz低速晶振,专为RTC设计
-
PLL:最高可倍频至72MHz系统时钟

实用技巧:对成本敏感的消费电子,可直接使用HSI48省去外部晶振,BOM成本降低约0.3元。
2. 模拟外设:超越同级的精度
-
12位ADC:1Msps采样率,16个外部通道,支持温度传感器、内部基准电压测量
-
2个高速比较器:带7位DAC参考,响应速度<100ns,适合过流保护、零交叉检测
-
1个运算放大器:增益带宽2.5MHz,可直接驱动ADC,简化信号调理电路
亮点 :ADC支持IO采样保持电路(VIOSH),能捕获瞬态信号,这在同价位MCU中较为罕见。
3. 定时器与电机控制
-
TIM1:高级定时器,4通道PWM,支持3对互补输出+死区插入,可直接驱动半桥/全桥
-
TIM3:通用定时器,4通道PWM
-
TIM6:基本定时器,适合时基生成
-
TIM14/15/16/17:简单PWM输出
应用场景:单电阻无感FOC控制、BLDC方波驱动、数字电源等。
4. 通信接口
| 接口 | 特性 |
|---|---|
| USART×2 | 最高9Mbps,支持自动波特率检测、RS485硬件流控 |
| SPI×2 | 最高18Mbps,支持4~16位数据帧 |
| I2C×2 | I2C1支持Fast Mode+(1Mbps),20mA驱动能力 |
| SWD | 标准2线调试接口 |
低功耗设计:三模式精细管理
| 模式 | 典型电流@3.3V | 唤醒源 | 适用场景 |
|---|---|---|---|
| 睡眠模式 | ~1.2mA(72MHz运行) | 任意中断 | CPU空闲等待外设 |
| 停止模式 | 5.6μA(LP模式) | EXTI、RTC、IWDG | 周期性数据采集 |
| 待机模式 | 2.2μA | NRST、WKUP、RTC、IWDG | 电池供电长期休眠 |
设计建议:电池应用推荐"停止模式+RTC定时唤醒"组合,兼顾响应速度与功耗。

典型应用场景
1. 小家电控制板
-
电磁炉/电饭煲主控:TIM1驱动IGBT,ADC采集电流电压,比较器实现硬件过流保护
-
成本优势:相比STM32方案,单价低15%~20%
2. 电机驱动
-
筋膜枪、吸尘器BLDC控制:单芯片实现六步换相,72MHz主频足够50kHz PWM
-
运放内置:省去外部电流采样放大电路
3. 工业传感器
-
4~20mA变送器:宽压供电(2.0V起)支持两线制回路取电
-
低功耗设计:电池供电型温湿度传感器,待机2.2μA
4. 消费电子
-
LED灯带控制:TIM3多通道PWM,支持RGB调光
-
触摸按键:内置TSC模块,支持24通道电容触摸(需选用带TSC的型号)

选型与替代建议
| 需求场景 | 推荐型号 | 说明 |
|---|---|---|
| 极致成本,20脚够用 | FT32F030F6AP7 | TSSOP-20,32KB Flash |
| 需要更多GPIO | FT32F030K6AT7 | LQFP-32,55个GPIO |
| 大容量Flash | FT32F030R8AT7 | LQFP-64,64KB Flash |
| 需要触摸功能 | FT32F032G8BS7 | SOP-28,内置TSC |
与竞品对比:
| 特性 | FT32F030F6AP7 | STM32F030K6T6 | GD32F130F6P6 |
|---|---|---|---|
| 主频 | 72MHz | 48MHz | 72MHz |
| Flash | 32KB | 32KB | 32KB |
| SRAM | 4KB | 4KB | 4KB |
| 内置运放 | ✓ | ✗ | ✗ |
| 双比较器 | ✓ | ✗ | 1个 |
| 价格(批量) | 低 | 高 | 中 |
总结与展望
FT32F030F6AP7代表了国产MCU在兼容性替代 路径上的成熟方案。它并非追求参数上的全面超越,而是精准切中"能用、好用、省成本"的市场痛点:
-
✅ 能用:72MHz主频、完整外设覆盖主流控制需求
-
✅ 好用:STM32生态无缝迁移,开发零门槛
-
✅ 省成本:宽压设计减少电源芯片,内置运放/比较器减少外围器件
对于正在寻找STM32替代方案的团队,建议从非核心功能模块开始试点(如显示驱动、辅助控制),逐步验证可靠性后扩大应用范围。