1 线性常系数差分方程的表达形式

- 常系数:是指方程中ak和bm为常数;
- 阶数:y(n)项中变量序号的最高值与最低值之差;
- 线性:y(n-k)与x(n-m)项都只有一次幂,且不存在相乘项
2 线性常系数差分方程的求解方法
- 经典解法:类似于模拟系统求解微分方程的方法,要求齐次解、特解,并由边界条件求待定系数。由于计算复杂,较少使用。
- 递推(迭代)法:简单、适于用计算机进行求解。但只能得到一系列数值解,不易得到封闭式(公式)解答。
- 变换域法:将差分方程变换到Z域求解。
- 卷积法:由差分方程求出系统的h(n),再与已知的x(n)进行卷积,得到y(n)。
例:用迭代法求解差分方程,求单位抽样响应h(n)
设系统差分方程为:y(n) - ay(n-1) = x(n),求h(n)
解1:设x(n) = δ(n),对因果系统,且有当n<0时,y(n)=h(n)=0
h(0) = ah(-1) + δ(0) = 0 + 1 = 1
h(1) = ah(0) + δ(1) = a + 0 = a
h(2) = ah(1) + δ(2) = a^2 + 0 = a^2
......
h(n) = ah(n-1) + δ(n) = a^n + 0 = a^n
因此系统的单位抽样响应为h(n) = a^nu(n),这个系统显然是因果系统,当|a| < 1时,它还是稳定系统。
注意:一个常系数线性差分方程,并不一定代表因果系统。如果边界条件假设不同,可以得到非因果系统
解2: 设x(n) = δ(n),且有当n>0时,y(n)=h(n)=0
往之前时刻进行推导,y(n-1)=a^(-1)[y(n) - x(n)]
h(0) = a^(-1)[h(1) - δ(1)] = 0
h(-1) = a^(-1)[h(0) - δ(0)] = -a^(-1)
h(-2) = a^(-1)[h(-1) - δ(-1)] = -a^(-2)
......
h(-n) = a^(-1)[h(-n+1) - δ(-n+1)] = -a^(-n)
因此系统的单位抽样响应为h(n) = -a^(-n)u(-n-1)。显然这个系统是非因果系统。
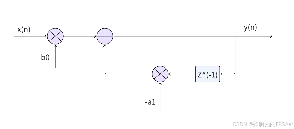
差分方程表示法优点:可以直接得到系统的结果。
例:差分方程 
该差分方程所表示的结果如下:
消耗2个乘法器、1个加法器、1个延迟单元(存储单元Z^(-1),用于存储上一时刻的值y(n-1))

3 MATLAB中实现差分方程递推解的filter函数

函数形式为y = filter(b, a, x),其中b = [b0, b1, ..., bM],a = [a0, a1, ..., aN],且a0 != 0,x为输入序列,y为输出序列
例:y(n) - 0.5y(n - 1) = 0.5x(n)
Matlab
%% 方法1:使用filter函数
% 定义系统系数
% 标准形式: a(1)*y(n) + a(2)*y(n-1) + ... = b(1)*x(n) + b(2)*x(n-1) + ...
% 原方程: y(n) - 0.5y(n-1) = 0.5x(n)
% 所以: a = [1, -0.5], b = [0.5]
a = [1, -0.5]; % 分母系数(y的系数)
b = [0.5]; % 分子系数(x的系数)
% 生成输入信号
N = 50; % 信号长度
n = 0:N-1;
% 测试不同输入信号
% 1. 单位脉冲信号
x1 = [1, zeros(1, N-1)];
% 2. 单位阶跃信号
x2 = ones(1, N);
% 3. 正弦信号
x3 = sin(2*pi*0.1*n);
%% 计算响应
% filter(b, a, x, ic) - ic是初始条件
% 零初始条件
y1 = filter(b, a, x1);
y2 = filter(b, a, x2);
y3 = filter(b, a, x3);