在现代电子设计中,高效能、低功耗的电源解决方案是工程师追求的目标。BP8501CH 作为一款集成了高压输入、低待机功耗和降压恒压功能的芯片,以其简洁的设计和卓越的性能,成为辅助电源设计的理想选择。三佛科技将详细解析 BP8501CH 的核心特性、管脚功能、输出功率说明、典型应用电路以及内部结构框图,帮助工程师快速掌握其设计要点,提升开发效率。
芯片画像:BP8501CH 是谁?
| 项目 | 速写 |
|---|---|
| 拓扑 | 非隔离降压(Buck) |
| 电压 | 85-265 V AC 全电压 |
| 输出 | 3.3 V 或 5 V 可选,最大持续 60 mA* |
| 封装 | SOP-8(背面散热焊盘) |
| 特色 | 650 V 功率管 + 续流二极管 + 采样电阻 全内置 |
| 能效 | 待机 <20 mW,满足 EuP 6 级 |
| 保护 | OLP/SCP/OTP/逐周期限流 |
*脉冲电流 100 mA/600 ms,峰值 140 mA,适合给小系统、继电器、传感器、Wi-Fi 模块供电。
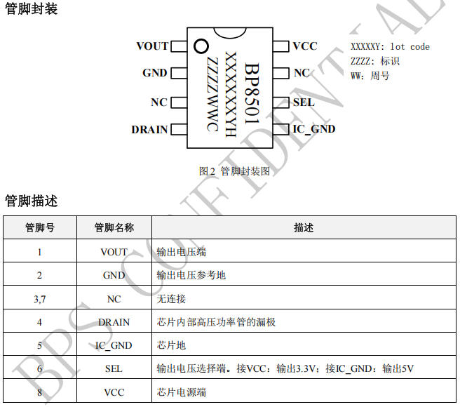
管脚一眼看懂

一句话记忆:SEL 接谁,谁就是输出电压!
输出功率到底能到多少?
官方给出"限值"而非"典型",是因为 Buck 在 265 V AC 时占空比极小,电流能力受电感饱和与芯片温升双重限制。实测数据(25 ℃,自然散热):
| 输出电压 | 持续电流 | 脉冲电流 | 建议应用功率 |
|---|---|---|---|
| 3.3 V | 60 mA | 100 mA | ≤ 0.2 W |
| 5 V | 60 mA | 100 mA | ≤ 0.3 W |
若加 1 cm² 铜箔或强制风冷,可再抬 20 % 电流。记住:BP8501CH 的定位是"辅助电源",不是大马拉小车。
典型电路:五件套搞定

BOM 清单 :整流桥、22 µF/400 V、4.7 mH 贴片电感、22 µF/6.3 V、1 µF/16 V,完事。
PCB 贴士:DRAIN 铜皮最小化,IC_GND 散热最大化,功率环面积 <1 cm² 轻松过 EMI。
内部框图速读

亮点解读:
-
高压启动后关断,待机仅 140 µA;
-
续流二极管内置,反向恢复 35 ns,EMI 友好;
-
无环路补偿电容,靠"采样-保持-比较"单周期稳压,瞬态 ±3 %。
应用锦囊
-
空载防飘:并 1 kΩ 假负载,可把空载电压拉回 1 % 以内。
-
电感选型:4.7 mH-10 mH,纹波系数 25 %-40 % 效率最佳;饱和电流 ≥ 2 倍 Iout。
-
输入电容:2.2 µF/400 V 电解即可,太小 PF 值掉,太大浪涌电流大。
-
输出纹波:22 µF 陶瓷 + 100 µF 电解并联,可将纹波降到 <50 mV。
-
过温降额:145 ℃/W 热阻,105 ℃环境温度下最大功耗 0.31 W,设计留 20 % 裕量。