BP85958D 主要用于小家电、电机驱动、IoT / 智能家居 / 智能照明的辅助电源,外围精简、待机功耗低,是高压集成 AC-DC 电源驱动芯片,固定 12V/400mA 输出,集成 650V MOSFET 与高压启动,适合 85--265VAC 全电压 Buck/Buck-Boost 拓扑。
核心应用场景与方案要点
| 应用场景 | 典型负载 | 方案架构 | 关键优势 |
|---|---|---|---|
| 小家电辅助电源 | MCU、按键、显示、传感器、通信模块 | AC→整流滤波→Buck/Buck-Boost→12V 输出 | 固定 12V、保护齐全、待机功耗低 |
| 电机驱动辅助电源 | 电机驱动 IC、电流采样、保护电路 | AC→整流滤波→Buck/Buck-Boost→12V 输出 | 宽压输入、抗干扰强、动态响应快 |
| IoT / 智能家居 / 智能照明 | WiFi/BLE 模块、LED 驱动、触控面板 | AC→整流滤波→Buck/Buck-Boost→12V 输出 | 集成度高、外围少、EMI 友好。 |
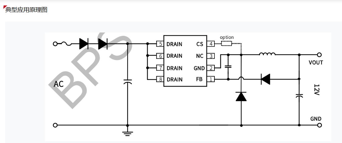
BP85958D典型应用原理图:

HN32512 可在 12V/≤400mA 的小家电、IoT 辅助电源场景下替代 BP85958D
核心参数对比(关键差异决定替代可行性)
| 参数项 | BP85958D(晶丰明源) | HN32512(华能) | 替代影响 |
|---|---|---|---|
| 封装 | SOP-8 | SOP-8 | 封装兼容,可直接焊接 |
| 输入电压 | 85--265VAC | 85--265VAC | 全电压覆盖一致 |
| 输出规格 | 12V/400mA | 12V/600mA | 电流裕量更足,满足原负载 |
| 集成 MOS 耐压 | 650V | 500V | HN32512 耐压更低,高压 / 浪涌风险上升 |
| 待机功耗 | ≈80mW | <50mW | HN32512 更优,利于能效认证 |
| 拓扑支持 | Buck/Buck-Boost | Buck/Buck-Boost | 拓扑兼容,可沿用原架构 |
| 外围复杂度 | 需外置续流二极管、VCC 电容 | 内置高压启动,省启动电阻与高压电解 | HN32512 外围更精简,BOM 成本更低 |
| 保护特性 | OCP/OVP/OTP/UVP | OCP/OVP/OTP/UVP/CS 开短路 | HN32512 保护更全 |
替代实施步骤(确保稳定与合规)
PCB 与 Layout 修改
按 HN32512 Datasheet 重新绘制 SOP-8 引脚连接,重点调整 VCC、FB、CS、SW 引脚走线。
高压(AC 输入、整流后母线)与低压(12V 输出、反馈)严格隔离,爬电距离≥3mm,降低耐压不足带来的击穿风险。
SW 节点(功率开关节点)尽量短而粗,减小寄生电感,降低 EMI 与尖峰。
外围器件优化
续流二极管:选用反向耐压≥600V、正向电流≥1A 的快恢复二极管(如 SS34),匹配 HN32512 开关特性。
输入滤波:在整流桥前增加共模电感与 X 电容,抑制浪涌与差模噪声,弥补 MOS 耐压短板。
反馈回路:按 HN32512 的 FB 分压比重新计算电阻值,确保 12V 输出精度(±2% 内)。
可靠性与认证验证
高压浪涌测试:按 IEC 61000-4-5 做 1.5kV--2kV 浪涌,确认无损坏或重启。
热测试:满载 400mA 下,芯片温升≤60℃(环境 25℃),必要时加散热焊盘。
能效与 EMI:HN32512 待机功耗更优,易过 CoC Tier2;需重新测试 EMI,通过调整电感感量与输出电容 ESR 优化余量。