此分类用于记录吴恩达深度学习课程的学习笔记。
课程相关信息链接如下:
- 原课程视频链接:双语字幕吴恩达深度学习deeplearning.ai
- github课程资料,含课件与笔记:吴恩达深度学习教学资料
- 课程配套练习(中英)与答案:吴恩达深度学习课后习题与答案
本篇为第五课的第一周内容,1.10的内容以及一些相关基础的补充。
本周为第五课的第一周内容,与 CV 相对应的,这一课所有内容的中心只有一个:自然语言处理(Natural Language Processing,NLP) 。
应用在深度学习里,它是专门用来进行文本与序列信息建模 的模型和技术,本质上是在全连接网络与统计语言模型基础上的一次"结构化特化",也是人工智能中最贴近人类思维表达方式 的重要研究方向之一。
这一整节课同样涉及大量需要反复消化的内容,横跨机器学习、概率统计、线性代数以及语言学直觉。
语言不像图像那样"直观可见",更多是抽象符号与上下文关系的组合,因此理解门槛反而更高 。
因此,我同样会尽量补足必要的背景知识,尽可能用比喻和实例降低理解难度。
本篇的内容关于长短期记忆 LSTM,它和 GRU 一样,是成功缓解 RNN 的长距离依赖问题且流行至今的技术。
1. 什么是 LSTM(Long Short-Term Memory)?
在 GRU 中,我们已经看到:通过门控机制对信息流进行选择性控制,确实可以显著缓解传统 RNN 的长距离依赖问题 。
无论是更新门对历史信息的保留,还是重置门对当前输入的强调,本质上都是在回答同一个问题:哪些信息值得被继续传递,哪些可以被遗忘。
然而,从更长时间跨度的建模需求来看,GRU 仍然存在一个结构上的局限 :它依然只有单一的隐藏状态 来同时承担"短期计算结果"和"长期记忆载体"这两种角色。
这意味着,即便引入了门控机制,不同时间尺度的信息仍然被迫混合在同一条状态通道中传递,在极长序列或精细时序控制的场景下,这种耦合仍可能限制模型的表达能力。
而LSTM 便能应对这类问题,早在 1997 年,Hochreiter 和 Schmidhuber 在论文:Long Short-Term Memory中,便从理论层面系统性地分析了 RNN 中梯度消失的问题,并给出了一种结构性解决方案 :通过显式引入一条专门用于长期信息传递的记忆单元(cell state),并配合精细设计的门控结构,使得关键信息可以在长时间跨度内几乎不受干扰地向前传播。
这里要说明一点,你会发现:从时间顺序上看,LSTM 的提出早于 GRU 。
LSTM 是最早从结构层面系统性解决 RNN 长距离依赖问题的门控循环单元。
而在上一篇我们说 GRU 可以看作 LSTM 的一种简化形式,正是因为它在 LSTM 的基础上合并了部分门控结构,取消了显式的记忆单元,用更紧凑的形式实现了相似的建模目标。
也正因为这种简化,GRU 在参数数量、计算开销以及工程实现复杂度上都更为友好。
因此,在许多实际任务中,当序列长度并未极端拉长,或对长期记忆的精细控制要求不高时,GRU 往往能够以更低的成本获得与 LSTM 接近的性能 。这也是为什么,尽管 LSTM 在理论上具备更强的表达与记忆能力,结构更简单的 GRU 仍然在大量 NLP 与时序建模场景中被广泛采用。
同样简单过了过历史,下面我们来展开介绍。
1.1 GRU 的理论局限
在 GRU 中,我们已经看到:通过引入更新门和重置门,模型不再被动地"记住一切",而是学会了选择性保留与选择性使用历史信息 。
这使得 RNN 在长序列建模中的表现得到了显著改善。
但如果我们继续追问一个问题:这些被"精心筛选"的历史信息,到底被存放在哪里?
答案是:仍然在同一个隐藏状态里。
也就是说,在 GRU 中:隐藏状态既承担当前计算结果 ,又承担长期记忆载体 。
这样做的结果就是我们刚刚提到的:所有信息,无论时间尺度长短,最终都要"挤"在同一个向量中传递,可能限制模型的表达能力。
在多数任务中,这已经足够有效,但在极长序列、精细时序控制或长期语义一致性要求很高 的场景下,这种"混合存储"仍然可能成为瓶颈。

1.2 LSTM 的记忆细胞
实际上,LSTM 的设计就能很好的解决刚刚的混合存储问题。
它引入了一个结构层面的改变 :不再让同一个状态同时负责"长期记忆"和"短期计算"。
为此,LSTM 明确区分了两条信息通道:
- 细胞状态(cell state) \(c^{}\) → 专门负责长期信息的存储与传递。
- 隐藏状态(hidden state) \(a^{}\) → 负责当前时刻的输出与短期计算。
你可以把它理解为:
隐藏状态是"当前脑子里在想什么",
细胞状态是"一条几乎不被打扰的长期备忘录"。
这也是 LSTM 名字中 Long Short-Term 的含义: 长期信息(Long-Term)和短期信息(Short-Term)在结构上被显式区分了。

打个比方来总结 GRU 和 LSTM 的差别:GRU像是在一张纸上反复修改内容 ,LSTM则像是单独准备了一本笔记本。
1.3 LSTM 的门控机制
既然引入了专门的记忆细胞来作为 LSTM 中的长期记忆通道,新的问题自然出现了:这条记忆,什么时候该保留? 什么时候该更新?什么时候该输出给当前计算使用?
答案依然是:门控机制 。
简单来说,LSTM 通过三道门来精细控制长期记忆:
- 遗忘门(Forget Gate):决定旧记忆保留多少。
- 输入门(Input Gate):决定新信息写入多少。
- 输出门(Output Gate):决定当前时刻对外暴露多少记忆。

也正是因为这些门的存在, cell state 才能够在时间维度上稳定流动,而不被频繁改写 。
有了 GRU 的基础后,我们就不再单独逐个展开每道门的语义了,在下面的实现部分再来详细展开它们的作用逻辑。
2. 如何实现 LSTM?
在之前的 GRU 中,我们已经看到:门控的本质不是增加复杂度,而是为"信息是否继续存在"提供可学习的选择权。
LSTM 在这个思想上更进一步:它不再试图让同一个状态 同时承担"长期记忆"和"当前计算", 而是显式引入了一条几乎线性传播的长期记忆通道------细胞状态 \(c^{\langle t \rangle}\) ,并通过遗忘门,输入门和输出门来控制细胞状态。
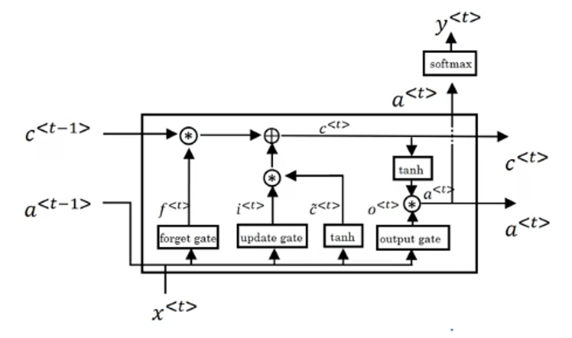
了解了基本原理后,现在就来看看,在一个时间步 \(t\),一个标准 LSTM 单元是如何实现的。
实际上,它只是比 GRU 多了些步骤,在有了 GRU 的基础后,LSTM 的实现并不难理解,先摆出它的单元结构图如下:

要强调的还是我们介绍的计算顺序是逻辑上的先后顺序,实际上很多步骤都是可以同步计算的。
2.1 计算遗忘门(Forget Gate)
LSTM 的第一步,是计算 遗忘门 \(f^{\langle t \rangle}\)。
它的作用就相当于 GRU 的重置门:对上一时刻的细胞状态 \(c^{\langle t-1 \rangle}\) 进行"按比例保留"。
但要注意,这里是"细胞状态 " 而不是 "隐藏状态 "。
过程如下:

计算公式还是是线性组合:
\f\^{\\langle t \\rangle} = sigmoid\\big( W_{xf} x\^{\\langle t \\rangle} + W_{af} a\^{\\langle t-1 \\rangle} + b_f \\big) \\
遗忘门值的含义是这样的:
- \(f^{\langle t \rangle}_i \approx 1\):第 \(i\) 个记忆单元几乎完全保留。
- \(f^{\langle t \rangle}_i \approx 0\):第 \(i\) 个记忆单元被主动遗忘。
这里出现了新的内容需要说明:细胞状态 \(c^{\langle t \rangle}\) 与隐藏状态 \(a^{\langle t \rangle}\) 在维度上是一致的 。
若隐藏状态是一个 \(d\) 维向量,那么细胞状态同样包含 \(d\) 个记忆单元 。
因此,遗忘门 \(f^{\langle t \rangle}\) 的每一个分量 \(f_i^{\langle t \rangle}\),并不是控制"一整段记忆",而是独立控制第 \(i\) 个记忆单元在时间维度上的保留比例。
再结合一下 GRU ,你会发现,这段逻辑在GRU中以重置门的形式完整保留了。
2.2 计算输入门(Input Gate)
LSTM 的第二步,是计算 输入门 \(i^{\langle t \rangle}\)。
它的作用是:决定当前步生成的新信息有多少可以写入细胞状态 \(c^{\langle t \rangle}\) 。
换句话说,它控制了"新记忆更新比例",在功能上类似 GRU 的更新门,但在 LSTM 中,它只负责 新信息写入,而历史信息保留由遗忘门控制。
过程如下:

公式表示为:
\i\^{\\langle t \\rangle} = sigmoid\\big( W_{xi} x\^{\\langle t \\rangle} + W_{ai} a\^{\\langle t-1 \\rangle} + b_i \\big) \\
输入门值的语义同样清晰:
- \(i_i^{\langle t \rangle} \approx 1\):第 \(i\) 个记忆单元几乎全部接收新信息。
- \(i_i^{\langle t \rangle} \approx 0\):第 \(i\) 个记忆单元几乎不写入新信息。
同样地,输入门 \(i^{\langle t \rangle}\) 与细胞状态 \(c^{\langle t \rangle}\) 的维度一致,每个分量独立控制对应记忆单元的写入比例。
这样做可以保证 长期记忆在时间维度上既保留重要信息,又按需更新新内容,实现更精细的记忆管理。
2.3 计算候选细胞状态(Candidate Cell State)
还是要先强调一点,这是"候选细胞状态 ",不是"候选隐藏状态"。到这一步,隐藏状态还没有出场。
在计算完输入门 \(i^{\langle t \rangle}\) 之后,LSTM 的下一步是生成 候选细胞状态 \(\tilde{c}^{\langle t \rangle}\)。
它的作用是:表示当前步的新信息内容 ,由当前输入 \(x^{\langle t \rangle}\) 和上一时刻隐藏状态 \(a^{\langle t-1 \rangle}\) 共同决定,但尚未写入细胞状态 \(c^{\langle t \rangle}\)。
换句话说,候选细胞状态就是 准备好可以写入的"新记忆" 。
计算过程如下:

公式表示为:
\\\tilde{c}\^{\\langle t \\rangle} = \\tanh\\big( W_{xc} x\^{\\langle t \\rangle} + W_{ac} a\^{\\langle t-1 \\rangle} + b_c \\big) \\
到后下一步你就会发现:候选状态本身并不直接影响最终输出,它只是表示"有多少新记忆",而输入门 \(i^{\langle t \rangle}\) 才决定"写入多少新记忆"。
这段设计不同于 GRU:LSTM 将"新信息生成"和"新信息写入"明确分离,方便通过门控精细控制记忆更新。
2.4 更新细胞状态
现在我们已经有了这样东西:
- 上一时刻的细胞状态 \(c^{\langle t-1 \rangle}\)(旧长期记忆)
- 遗忘门 \(f^{\langle t \rangle}\)(保留比例)
- 输入门 \(i^{\langle t \rangle}\) 与候选记忆 \(\tilde{c}^{\langle t \rangle}\)(新信息)
LSTM 会用下面这个核心公式来更新长期记忆:
\c\^{\\langle t \\rangle} = f\^{\\langle t \\rangle} \\odot c\^{\\langle t-1 \\rangle} + i\^{\\langle t \\rangle} \\odot \\tilde{c}\^{\\langle t \\rangle} \\

这个公式的意义也非常直观:
- 第一项:保留多少旧记忆。
- 第二项:写入多少新记忆 。
也正是因为这里存在一条近似"直通"的路径,让梯度可以直接从 \(c^{\langle t \rangle}\) 回传到 \(c^{\langle t-1 \rangle}\) , 细胞状态才能在时间维度上稳定传播,梯度也不容易衰减。
3.5 计算输出门(Output Gate)
需要特别强调的是: 细胞状态并不直接作为模型输出。
在之前几步完成了对细胞状态的更新,我们到这里才开始进行与模型输出相关的隐藏状态计算。
在更新完细胞状态 \(c^{\langle t \rangle}\) 之后,LSTM 的下一步是计算 输出门 \(o^{\langle t \rangle}\)
输出门的作用是:控制细胞状态中的信息有多少被"暴露"给下一层或下一时间步使用 。
换句话说,输出门决定了"长期记忆通道中的信息如何影响当前计算"。
计算过程已经看了很多遍了:

门的计算都是相同的,公式为:
\o\^{\\langle t \\rangle} = sigmoid\\big( W_{xo} x\^{\\langle t \\rangle} + W_{ao} a\^{\\langle t-1 \\rangle} + b_o \\big) \\
- 当 \(o_i^{\langle t \rangle} \approx 1\) 时,第 \(i\) 个记忆单元的长期信息几乎全部暴露给隐藏状态。
- 当 \(o_i^{\langle t \rangle} \approx 0\) 时,第 \(i\) 个记忆单元的长期信息几乎完全屏蔽。
3.6 更新隐藏状态
有了输出门 \(o^{\langle t \rangle}\) 和更新后的细胞状态 \(c^{\langle t \rangle}\) 后,就可以生成当前时刻的隐藏状态 \(a^{\langle t \rangle}\),这也是 LSTM 的实际输出,用于传递到下一时间步或下一层网络。

生成公式为:
\a\^{\\langle t \\rangle} = o\^{\\langle t \\rangle} \\odot \\tanh(c\^{\\langle t \\rangle}) \\
最终,输出门与细胞状态、隐藏状态维度一致,每个分量独立控制对应记忆单元的输出 ,实现对长期记忆的选择性读取 。
最后,看到长期记忆,你可能会再次想到 GRU 中不仅有长期记忆,还有短期记忆,那 LSTM 的短期记忆被隐含在哪一步了?
实际上,在 LSTM 中,短期记忆 就是当前步的隐藏状态 \(a^{\langle t \rangle}\),它会传给下一时间步或下一层参与计算,而不像 GRU 那样把长期记忆和短期记忆合并在同一状态中。
至此,一个 LSTM 单元计算就完成了。
3.7 小结:LSTM 的完整计算流程
在时间步 \(t\),一个标准 LSTM 单元的计算顺序可以总结为:
- 遗忘门:决定旧记忆保留多少。
\ f\^{\\langle t \\rangle} = \\sigma(W_{xf} x\^{\\langle t \\rangle} + W_{af} a\^{\\langle t-1 \\rangle} + b_f) \\
- 输入门:决定新信息写入多少。
\ i\^{\\langle t \\rangle} = \\sigma(W_{xi} x\^{\\langle t \\rangle} + W_{ai} a\^{\\langle t-1 \\rangle} + b_i) \\
- 候选记忆:生成新记忆内容。
\ \\tilde{c}\^{\\langle t \\rangle} = \\tanh(W_{xc} x\^{\\langle t \\rangle} + W_{ac} a\^{\\langle t-1 \\rangle} + b_c) \\
- 更新细胞状态:长期记忆融合。
\ c\^{\\langle t \\rangle} = f\^{\\langle t \\rangle} \\odot c\^{\\langle t-1 \\rangle} + i\^{\\langle t \\rangle} \\odot \\tilde{c}\^{\\langle t \\rangle} \\
- 输出门与隐藏状态:生成当前输出。
\o\^{\\langle t \\rangle} = \\sigma(W_{xo} x\^{\\langle t \\rangle} + W_{ao} a\^{\\langle t-1 \\rangle} + b_o) \\
\ a\^{\\langle t \\rangle} = o\^{\\langle t \\rangle} \\odot \\tanh(c\^{\\langle t \\rangle}) \\
至此,这两篇我们完成了对门控机制的一些相关技术的了解,你会发现,门控机制并没有创新网络本身的结构,而是通过网络关系和计算逻辑为全连接层赋予了全新的语义:实现了对记忆的选择性保留、更新与输出 。
这种设计的巧妙之处在于:网络可以自主决定哪些信息值得长期记忆,哪些信息只用于当前计算,使梯度在时间维度上稳定传播,同时让模型能够精细管理短期与长期记忆,从而显著提升序列数据建模的能力。
同时,也给了我们关于创新的新的灵感:不要一味增加复杂结构,而是赋予已有机制新的语义与控制能力。
3. 总结
| 概念 | 原理 | 比喻 |
|---|---|---|
| LSTM(Long Short-Term Memory) | 为了解决 RNN/GRU 在长序列中长期依赖的问题,引入显式的记忆单元(cell state) ,并配合遗忘门、输入门、输出门进行精细控制,实现长期信息的稳定传递。 | 隐藏状态像"当前脑子里在想什么",细胞状态像"一本几乎不被打扰的长期备忘录"。 |
| GRU 的局限 | GRU 只有单一隐藏状态,既承担短期计算,又承担长期记忆,使不同时间尺度的信息混合在同一向量中,长序列或精细时序场景可能受限。 | GRU 像是在"一张纸上反复修改内容",长期与短期信息混合存储。 |
| 细胞状态(Cell State \(c^{\langle t \rangle}\)) | 专门存储长期信息,可近似线性传播,梯度不易消失。通过遗忘门控制保留,输入门控制写入。 | "长期备忘录",可以长期保存关键信息,不被频繁改写。 |
| 隐藏状态(Hidden State \(a^{\langle t \rangle}\)) | 表示当前时刻的输出和短期计算结果,传递到下一时间步或下一层。 | "脑子里当前正在处理的内容"。 |
| 遗忘门(Forget Gate \(f^{\langle t \rangle}\)) | 决定旧记忆保留比例:\(f^{\langle t \rangle} \odot c^{\langle t-1 \rangle}\)。 | "决定把哪些旧信息保留下来,哪些丢掉"。 |
| 输入门(Input Gate \(i^{\langle t \rangle}\)) | 决定新信息写入比例:\(i^{\langle t \rangle} \odot \tilde{c}^{\langle t \rangle}\)。 | "决定新记忆写入多少到长期备忘录"。 |
| 候选细胞状态(\(\tilde{c}^{\langle t \rangle}\)) | 当前步生成的新信息,由当前输入与上一隐藏状态计算,但尚未写入细胞状态。 | "准备好可以写入的新记忆"。 |
| 更新细胞状态(\(c^{\langle t \rangle}\)) | 结合遗忘门与输入门更新长期记忆:\(c^{\langle t \rangle} = f^{\langle t \rangle} \odot c^{\langle t-1 \rangle} + i^{\langle t \rangle} \odot \tilde{c}^{\langle t \rangle}\)。 | "旧备忘录保留多少 + 新信息写入多少"。 |
| 输出门(Output Gate \(o^{\langle t \rangle}\)) | 决定细胞状态暴露给隐藏状态的比例:\(a^{\langle t \rangle} = o^{\langle t \rangle} \odot \tanh(c^{\langle t \rangle})\)。 | "决定长期记忆中哪些内容现在被使用"。 |
| 短期记忆 | LSTM 的短期记忆即当前时刻的隐藏状态 \(a^{\langle t \rangle}\),用于计算当前输出和下一步传递。 | "脑子里当前想的东西"。 |
| 长期记忆 | LSTM 的长期记忆即细胞状态 \(c^{\langle t \rangle}\),稳定传递关键历史信息,梯度不易消失。 | "长期备忘录",可跨时间步保存信息。 |