目录
[4.1 光伏阵列的输出特性](#4.1 光伏阵列的输出特性)
[4.2 扰动观察法P&O MPPT控制器原理](#4.2 扰动观察法P&O MPPT控制器原理)
[4.3 IGBT单相全桥逆变器(并网单元)](#4.3 IGBT单相全桥逆变器(并网单元))
1.课题概述
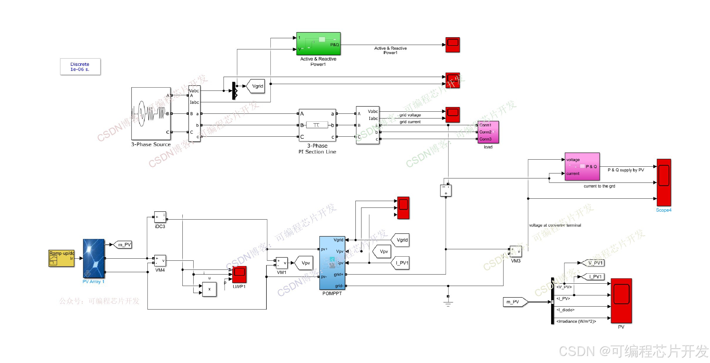
这个基于扰动观察法(P&O)MPPT控制器+IGBT单相全桥逆变器的光伏并网发电系统,是小型分布式光伏并网的典型架构,核心实现 "光伏最大功率提取→直流电能变换→交流并网" 的完整能量转换。
2.系统仿真结果






3.核心程序或模型
版本:Matlab2024b


133
4.系统原理简介
该系统主要分为光伏阵列、P&O MPPT控制器、Boost升压电路、IGBT单相全桥逆变器、电网接口5个核心模块,能量流为:光伏阵列输出低压直流→Boost电路升压(MPPT控制) →全桥逆变器逆变为交流→并入电网。
4.1 光伏阵列的输出特性
光伏阵列的输出伏安特性(I-V)满足非线性方程:

其输出功率为PPV =UPV×I PV ,最大功率点(MPP)是PPV −U PV曲线的峰值点,需通过MPPT 控制器跟踪。
4.2 扰动观察法P&O MPPT控制器原理
P&O是最常用的MPPT算法,通过 "扰动电压→观察功率变化→调整电压方向" 实现 MPP 跟踪,数学逻辑如下:

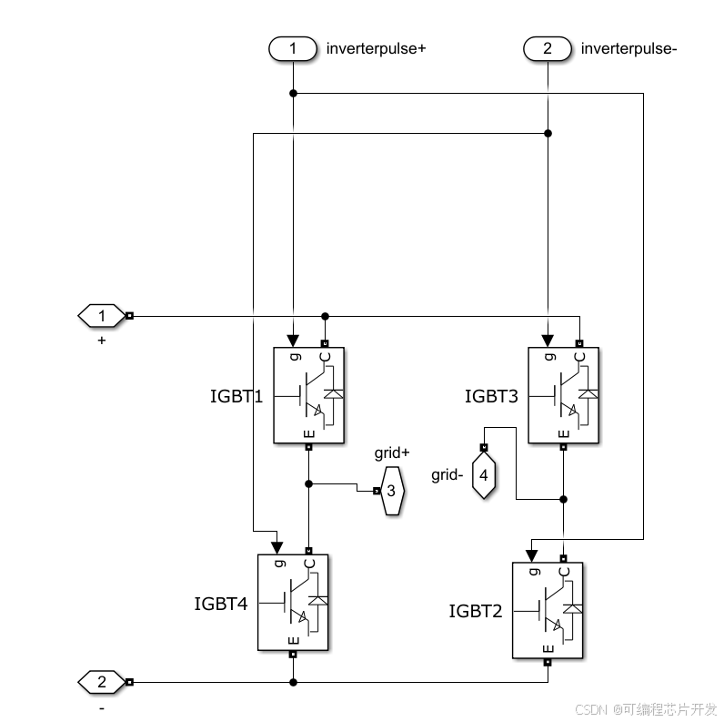
4.3 IGBT单相全桥逆变器(并网单元)
单相全桥逆变器由4个IGBT(带反并联续流二极管)构成,通过脉宽调制(PWM)将直流母线电压逆变为与电网同频同相的交流电,核心原理:

4.4 系统工作流程
光伏阵列将太阳能转为直流电能,输出电压 / 电流随光照、温度变化;
P&O MPPT控制器采集光伏电压 / 电流,计算功率并扰动电压,通过Boost电路的IGBT占空比调整,跟踪MPP;
Boost电路输出的高压直流经Buck电路(若需要)稳定为逆变器所需的直流母线电压;
全桥逆变器通过PWM控制IGBT开关,将直流逆变为与电网同频同相的交流,经滤波后并入电网。
这个架构的优势是"MPPT与并网控制解耦",P&O算法实现简单、成本低,全桥逆变器并网电能质量高,是小型光伏并网系统的主流方案之一。
5.完整工程文件
v v
关注后,GZH回复关键词: a12