数模电及射频电路基础
- [1. 认识半导体](#1. 认识半导体)
-
- [1.1. 基本概念](#1.1. 基本概念)
- [1.2. PN结的形成](#1.2. PN结的形成)
- [2. 二极管](#2. 二极管)
-
- [2.1. 基本特性](#2.1. 基本特性)
- [2.2. 稳压二极管](#2.2. 稳压二极管)
- [2.3. 发光二极管](#2.3. 发光二极管)
- [2.4. 桥式整流电路](#2.4. 桥式整流电路)
- [3. 三极管](#3. 三极管)
-
- [3.1. 三极管原理](#3.1. 三极管原理)
- [3.2. 三极管放大特性](#3.2. 三极管放大特性)
- [4. MOS管](#4. MOS管)
-
- [4.1. 电路拓扑](#4.1. 电路拓扑)
-
- [4.1.1. NMOS源极接地](#4.1.1. NMOS源极接地)
- [4.1.2. PMOS源极接VCC](#4.1.2. PMOS源极接VCC)
- [4.2. 工作区间](#4.2. 工作区间)
- [4.3. 三极管和MOS管危险接法](#4.3. 三极管和MOS管危险接法)
-
- [4.3.1. MOS管(以NMOS为例)](#4.3.1. MOS管(以NMOS为例))
- [4.3.2. 三极管(以NPN为例)](#4.3.2. 三极管(以NPN为例))
- [5. 门电路与组合逻辑](#5. 门电路与组合逻辑)
-
- [5.1. 基本概念](#5.1. 基本概念)
- [5.2. 门电路及符号](#5.2. 门电路及符号)
-
- [5.2.1. 与门](#5.2.1. 与门)
- [5.2.2. 或门](#5.2.2. 或门)
- [5.2.3. 非门](#5.2.3. 非门)
- [5.2.4. 异或门](#5.2.4. 异或门)
- [5.3. 组合逻辑电路](#5.3. 组合逻辑电路)
- [5.3.1. 组合逻辑分析](#5.3.1. 组合逻辑分析)
-
- [5.3.2. 组合逻辑设计](#5.3.2. 组合逻辑设计)
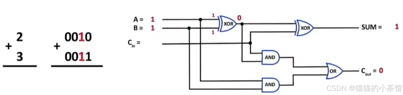
- [5.3.3. 加法器](#5.3.3. 加法器)
- [6. 时序逻辑](#6. 时序逻辑)
-
- [6.1. RS触发器](#6.1. RS触发器)
- [6.2. D触发器](#6.2. D触发器)
- [7. 计数器原理](#7. 计数器原理)
- [8. 555定时器](#8. 555定时器)
- [9. 三极管放大电路](#9. 三极管放大电路)
-
- [9.1. 直接耦合放大电路](#9.1. 直接耦合放大电路)
- [9.2. 阻容耦合放大电路](#9.2. 阻容耦合放大电路)
- [9.3. 直流通路和交流通路](#9.3. 直流通路和交流通路)
- [9.4. 共射极放大电路](#9.4. 共射极放大电路)
- [9.5. 共集电极放大电路](#9.5. 共集电极放大电路)
- [9.6. 共基极放大电路](#9.6. 共基极放大电路)
- [10. 集成运算放大器](#10. 集成运算放大器)
-
- [10.1. 运放基本概念](#10.1. 运放基本概念)
- [10.2. 运放电路分析](#10.2. 运放电路分析)
- [10.2.1. 反向电路](#10.2.1. 反向电路)
-
- [10.2.2. 同向放大器](#10.2.2. 同向放大器)
- [10.2.3. 加法器](#10.2.3. 加法器)
- [10.2.4. 减法器](#10.2.4. 减法器)
- [10.3. 比较器](#10.3. 比较器)
- [11. 射频电路基础](#11. 射频电路基础)
- [11.1. 基本概念](#11.1. 基本概念)
-
- [11.2. 信号调制](#11.2. 信号调制)
- [11.2.1. 模拟调制](#11.2.1. 模拟调制)
-
- [11.2.2. 数字调制](#11.2.2. 数字调制)
- [11.3. 滤波解调](#11.3. 滤波解调)
- [11.4. 天线设计](#11.4. 天线设计)
- [11.5. 信号描述单位](#11.5. 信号描述单位)
- [12. 电路仿真](#12. 电路仿真)
本文讨论了数模电及射频电路基础相关知识,涵盖半导体、二极管、三极管、MOS管等元件特性,门电路与组合逻辑、时序逻辑等电路知识,以及射频电路中频率、功率、阻抗等概念和信号调制、滤波解调等内容。关键要点包括:
- 导体与绝缘体特性:导体最外层电子易定向移动形成电流,电场传播接近光速,电流漂移速度仅约 0.1mm/s;绝缘体最外层电子受原子核束缚力强,需强电场才可能导电。
- 半导体类型及特性:本征半导体导电性差,温度升高导电性增强;N 型半导体掺入磷元素,自由电子浓度高;P 型半导体掺入三价妟元素,空穴为多数载流子。
- PN 结与二极管:扩散与漂移运动达到动态平衡形成 PN 结;二极管具有单向导电性,稳压二极管反向击穿后电压稳定,发光二极管采用直接带隙材料发光。
- 三极管与 MOS 管:三极管有放大特性,分截止、放大、饱和区;MOS 管分 NMOS 和 PMOS,电压控制,栅极几乎无静态电流。
- 门电路与组合逻辑:电平概念简化数字系统逻辑设计,TTL 和 CMOS 电平标准不同;组合逻辑电路可根据输入输出关系设计和分析。
- 放大电路分析:放大电路分析遵循"先静态,后动态"原则,设置合适静态工作点避免失真;共射、共集、共基放大电路特性不同。
- 射频电路基础:射频频段 300k-300G,频率、阻抗、功率是关键参数;信号调制有模拟和数字调制方式,滤波解调可选择指定频段信号。
1. 认识半导体
1.1. 基本概念
导体
● 金属元素,其最外层电子在外电场作用下很容易产生定向移动,形成电流
电场与电流的区别
● 电场:由电压差产生,以接近光速的速度在导体中传播
● 电流:指电子的定向移动(漂移速度),通常仅约0.1mm/s,非常缓慢
电场如何驱动电流
● 当开关闭合时,电场几乎瞬间(光速)在电路中建立,迫使所有自由电子同时开始移动
● 尽管单个电子移动缓慢,但电场的作用使得整个电路中的电子集体响应,电能立即传递到负载,给人的感觉"电流"好像很快

绝缘体
惰性气体、橡胶等,其原子的最外层电子受原子核的束缚力很强,只有在外电场强到一定程度时才可能导电
弱电: 一般电压较低,国家规定的安全电压是交流36V以下、直流24V以下,弱电通常用于直流电路(3.3V、5V、12V)、音频和视频线路、网络线路、电话线等,弱电常用于信号传递;
强电: 一般电压较高,比如220V的家用电,1000多伏及以上的高压电,强电常用于传递能量,一般弱电平台用手直接触摸不会造成人身危险,最多静电击穿元器件挂掉;但是强电平台一定不能用手直接触摸,会有生命危险
本征半导体硅(Si)、锗(Ge),均为四价元素,它们原子的最外层电子受原子核的束缚力介于导体与绝缘体之间
● 自由电子与空穴相碰同时消失,称为复合;
● 一定温度下,自由电子与空穴对的浓度一定;
● 温度升高,热运动加剧,挣脱共价键的电子增多,自由电子与空穴对的浓度加大;
● 外加电场时,带负电的自由电子和带正电的空穴均参与导电,且运动方向相反,由于载流子数目很少,故导电性很差
● 温度升高,热运动加剧,载流子浓度增大,导电性增强
● 热力学温度0K时不导电

N型半导体
在本征半导体中加入磷§元素,由于磷最外层5个电子,形成共价键后多了一个电子,这个电子不受共价键约束,很容易形成自由点,从而导电,掺入杂质越多,自由电子浓度越高,导电性越强,实现导电性可控

P型半导体
P型半导体是通过在本征半导体(如硅或锗)中掺入三价元素(如硼、铝)制成的,三价杂质原子取代晶格中的四价原子时,会缺少一个电子与周围原子形成共价键,从而产生一个"空穴",这种空穴表现为有效正电荷,成为多数载流子,在外加电场作用下,空穴定向移动,形成电流,虽然空穴本身是正电荷的等效表现,但其移动本质上是相邻电子依次填补空位的过程(宏观上等效于空穴的反向运动)

1.2. PN结的形成

物质因浓度差而产生的运动称为扩散运动,气体、液体、固体均有之

● 由于扩散运动使P区与N区的交界面缺少多数载流子,形成内电场,从而阻止扩散运动的进行,内电场使空穴从N区向P区、自由电子从P区向N区运动叫做漂移运动
● 参与扩散运动和漂移运动的载流子数目相同,达到动态平衡,就形成了PN结

2. 二极管

2.1. 基本特性
● 将PN结封装,引出两个电极,就构成了二极管
● 二极管具有单向导电性

反向饱和电流 Is: 是PN结在反向偏置时,由少子漂移形成的极限电流
| 名称 | 开启电压 | 导通电压 |
|---|---|---|
| 物理意义 | PN结开始形成显著正向电流的临界电压 | 二极管完全导通时的稳定压降 |
| 电流特性 | 微小电流(约0.1~1mA) | 额定工作电流(如IF=10mA时) |
| 测试条件 | 电流拐点处对应的电压 | 指定正向电流下的压降 |
| 典型值 | 硅管0.5V,锗管0.1V | 硅管0.60.7V,锗管0.20.3V |
二极管的等效电路:

2.2. 稳压二极管
由一个PN结组成,反向击穿后在一定的电流范围内端电压基本不变,为稳定电压


2.3. 发光二极管

直接带隙材料 :LED通常采用砷化镓(GaAs)、氨化镓(GaN)等直接带隙半导体 ,电子与空穴复合时,能量直接以光子形式释放;
间接带隙材料 :普通二极管多用硅(Si)或锗(Ge),属于间接带隙半导体 ,电子 - 空穴复合时需借助声子(晶格振动)释放能量,主要转化为热量而非光;
2.4. 桥式整流电路


3. 三极管
3.1. 三极管原理



当接入正向偏置电源,发射结正偏,集电极反偏,发射极的空间电荷区消失,发射极N的大量电子扩散进基极P,和P极中的空穴复合,形成一个从B->E的电流IB,然而基区比较薄,空穴很少,移动的过程中只有少部分的电子与空穴复合,大量的电子堆积在基区,由于集电极反偏,形成了很强的反向电场,漂移运动增强,基区堆积的电子漂移到C区,想成了一个C->E的电流IC,IB 越大,注入到基极的电子越多,漂移运动越厉害,IC就越大



3.2. 三极管放大特性


横轴(X轴):
uCE(集电极-发射极电压)纵轴(Y轴):
iC(集电极电流)多条曲线:每条曲线对应一个固定的基极电流 B,例如
IB1,IB2,IB3,IB4等三大区域:截止区、放大区、饱和区(图中已标注)
(1)截止区(IB=0)
- 条件:基极电流 IB=0
- 现象:集电极电流iCx0
- 微观原因:
- 发射结(基极-发射极)未正偏,无法注入载流子(电子或空穴).
- 集电结(集电极-基极)反偏,但无载流子可收集0
(2)放大区(平坦区域)
- 条件:发射结正偏(VBE>0.7V),集电结反偏(VCE>VBE)
- 现象:iC几乎不随 uCE变化,仅由
IB决定- 微观原因 :
- 集电结强反偏时,电场足够强,能高效收集所有扩散到集电结的电子0
- 此时
iC=βIB,与uCE无关(曲线水平)0- (3)饱和区(陡峭区域)
- 条件 :发射结正偏,但集电结未充分反偏(
VCE<VBE)- 现象 :
iC随uCE增大而快速上升- 微观原因 :
- 集电结电场不足,无法有效收集电子,导致电子在基区堆积
uCE增大时,集电结电场增强,收集效率提高,iC显著上升
放大区的电流放大系数:

- 饱和导通状态下的 Rce(C极和E极电阻)
- 三极管饱和导通是指三极管工作在饱和区时,集电极电流 IC达到最大值且几乎不受基极电流IB控制的状态。此时三极管的集电极-发射极电压
VCE降至最低,呈现近似短路的特性,常用于开关电路中的"导通" 状态
- 三极管饱和导通是指三极管工作在饱和区时,集电极电流 IC达到最大值且几乎不受基极电流IB控制的状态。此时三极管的集电极-发射极电压
- 线性放大区的 Rce(C极和E极电阻)
- 三极管处于放大状态 时,CE间表现为动态电阻,其值较高(几十千欧以上)
4. MOS管


NMOS(N沟道MOSFET)导通条件
结构特点:
- 源极(S)和漏极(D)连接N型半导体,衬底为P型。
- 默认状态(VGS=0)下,漏源之间无导电沟道(截止)
导通条件
- VGS>Vth(栅源电压 大于 阈值电压) * 此时栅极正电压吸引P衬底中的电子,形成N型导电沟道(反型层),连通源漏极
- 典型应用:
- 高电平导通(如:VG=3.3V 时导通,VG=0V时截止)
示例:
- 若
Vth=1v,则需 VGS≥1V 才能导通(如 VG=3VVS=0V)
PMOS(P沟道MOSFET)导通条件结构特点:
- 源极(S)和漏极(D)连接P型半导体,衬底为N型
- 默认状态(
VGS=0)下,漏源之间无导电沟道(截止)导通条件:
VGS<Vth(栅源电压 小于 阈值电压,且 Vth本身为负值)- 此时栅极负电压吸引N衬底中的空穴,形成P型导电沟道
- 典型应用:
- 低电平导通(如:
VG=0V时导通,VG=3.3V时截止)示例:
- 若
Vth=-1V,则需VGS≤-1V才能导通(如VG=0V,VS=3V→ VGS=-3V<-1V)
- 驱动PMOS时,需确保栅极电压能低至 VSS (负电源) 或 0V
- 驱动NMOS时,栅极电压需足够高 (如 VDD)
- MOSFET(金属氧化物半导体场效应管)
- 结构:由栅极(G)、源极(S)、漏极(D)组成,栅极与沟道间通过绝缘层(如SiO2)隔离
- 类型:分N沟道和P沟道,增强型或耗尽型
- 特点:电压控制,栅极几乎无静态电流
- 三极管(BJT,双极结型晶体管)
- 结构:由发射极(E)、基极(B)、集电极©组成,分NPN和PNP两种
- 特点:电流控制,基极需要持续电流驱动,存在放大效应(B值)
- IGBT(绝缘栅双极晶体管)
- 结构:结合MOSFET的栅极控制和BJT的导通特性,相当于MOSFET栅极 + BJT的集电极/发射极
- 特点:电压控制,但导通机制类似BJT
- 需要高频、低压开关 → 选MOSFET
- 需要高压(>600V)、大电流 → 选IGBT
- 低成本、简单放大电路 → 选BJT(但逐渐被MOSFET替代)
4.1. 电路拓扑
4.1.1. NMOS源极接地

4.1.2. PMOS源极接VCC

4.2. 工作区间
- 线性区(欧姆区):
- 工作条件:
Vgs >Vth且Vds < Vgs- Vth- 电流
Id同时受Vgs和vds控制- 此时MOS管像一个压控电阻(
Ron),负载电压v_load接近:V_load ≈ V_supply - I_load * Ron
其中V_supply是电源电压(通常是漏极电压),I_load是负载电流,Ron是MOS管导通电阻- 结论:
V_load非常接近 V_supply(前提是I_load * Ron足够小)这是MOS管作为理想开关(传递高电压)的理想状态,当需要MOS管做"开关"或"无损传递电压"时,让负载获得接近电源的电压(V_load ≈ V_svsupply)- 饱和区(恒流区):
- 电流
Id只由Vgs决定,与Vds无关工作条件:Vgs>Vth目Vds > Vgs - Vth- 此时MOS管像一个压控电流源,
V_load主要由负载本身决定- 例如:若负载是电阻
R_load,则V_load =I_ds*R_load(I_ds是MOS管饱和电流)- 若负载需要恒定电流,
V_load会调整到使 I_ds 满足负载需求- 结论:
V_load可以远低于V_supply,与V_supply没有直接比例关系,此时MOS管主要用于电流控制或放大,不适合传递高电压
4.3. 三极管和MOS管危险接法
4.3.1. MOS管(以NMOS为例)


4.3.2. 三极管(以NPN为例)


5. 门电路与组合逻辑
5.1. 基本概念
- 电压(Voltage)
- 定义:电压是两点之间的电位差,单位为伏特(V)
- 物理意义:描述电场力对电荷做功的能力,是具体的物理量
- 示例:电池正负极之间的电压为1.5V,交流电的电压有效值为220V
- 电平(Logic Level)
- 定义:电平是数字系统中用于表示逻辑状态的电压范围0
- 逻辑意义:高电平(High)通常代表逻辑"1",低电平(Low)代表逻辑"0"
- 示例:TTL逻辑中,高电平≥2.4V,低电平≤0.8V;CMOS逻辑中,高电平接近电源电压(如3.3V或5V)
为何需要"电平"这一概念?
- 逻辑状态抽象化
- 在数字系统中,信号只需区分"0"和"1",无需精确电压值,电平将连续的电压范围离散化为两种状态,简化逻辑设计
- 抗干扰与容错性
- 电平定义允许电压在一定范围内波动(如TTL高电平为2.4V~5V),只要信号在阈值范围内,逻辑状态即可被正确识别,这提高了系统抗噪声能力
- 逻辑家族标准化
- 不同逻辑家族(如TTL、CMOS)对高/低电平的定义不同,电平概念帮助统一接口标准,确保不同器件间的兼容性
- 示例:
- TTL电平:高电平≥2.4V,低电平≤0.8V(供电电压5V)
- CMOS电平:高电平≈供电电压(如3.3V),低电平≈0V
- 简化电路设计
- 电平概念使设计者无需关注具体电压值,只需确保信号满足逻辑阈值,例如与非门只需判断输入是否均为高电平,而非具体电压数值。
- TTL电平(Transistor-Transistor Logic)
- 定义:基于双极型晶体管技术的逻辑电平标准,广泛用于早期数字电路设计
- 电压范围:
- 高电平(逻辑"1"):≥2.4V(典型供电电压为5V) ○ 低电平(逻辑"0"):≤0.8V ○
- 中间区域(0.8V~2.4V):不确定状态,可能导致逻辑错误
- 典型芯片:74系列(如74LS00与非门)
- CMOS电平(Complementary Metal-Oxide-Semiconductor)
- 定义:基于MOSFET技术的逻辑电平标准,以低功耗和高集成度著称
- 电压范围 :
- 高电平(逻辑"1"):接近供电电压 VCC(如3.3V或5V)
- 低电平(逻辑"0"):接近0V(通常≤0.3V)
- 输入阈值:高电平阈值约为 0.7VCC,低电平阈值约为 0.3VCC
- 典型芯片:CD4000系列(如CD4011与非门)
- TTL驱动CMOS
- 问题:TTL的高电平(≥2.4V)可能低于CMOS的高电平阈值(如3.3V系统的2.1V)
- 解决方案:
- 使用上拉电阻将TTL输出拉高至CMOS供电电压
- 采用电平转换芯片(如74HCT系列,兼容TTL输入和CMOS输出)
- CMOS驱动TTL
- 兼容性:CMOS的高电平(如5V)可直接满足TTL的高电平要求(>2.4V)
- 注意:需确保CMOS输出电流足够驱动TTL输入负载
5.2. 门电路及符号
5.2.1. 与门



5.2.2. 或门



5.2.3. 非门

A是输入信号电压,其低电平为 0V、高电平为 5V,Y是输出信号电压


5.2.4. 异或门



5.3. 组合逻辑电路
5.3.1. 组合逻辑分析
示例1:如图所示为某组合逻辑电路的电路结构,试分析该电路的逻辑功能

分析过程:
(1) 图中输入变量为A,B,C,D,输出变量为Y,中间各级异或门的输出分别设为Y0,Y1和Y2,逐级写出逻辑函数式

整理后可得Y的逻辑表达式:

(2)由于Y的逻辑表达式不能再化简,所以直接进入第3步,列出Y与 A,B,C,D 的关系真值表

根据真值表说明组合电路功能:
当输入变量A,B,C,D中有奇数个变量为逻辑1时,Y输出为1;否则Y输出为0
5.3.2. 组合逻辑设计
示例1:某雷达站有3部雷达A,B,C,其中A和B功率消耗相等,C的消耗功率是A的两倍,这些雷达由两台发电机X,Y供电,发电机X的最大输出功率等于雷达A的功率消耗,发电机Y的最大输出功率是雷达A和C的功率消耗总和,要求设计一个组合逻辑电路,能够根据各雷达的启动、关闭信号,以最省电的方式开、停电机
分析过程:
(1) 确定输入变量个数为3个,输出变量个数为2个,因此可设输入变量为A,B,C,设定雷达启动状态为逻辑1,雷达关闭为逻辑0;输出变量为X,Y,设定电机开状态为逻辑1,关状态为逻辑0
(2) 设雷达A的消耗功率为PA=a,可得雷达B,C及发电机X,Y的功率:

(3) 根据输入与输出的逻辑关系,列出X,Y与A,B,C的关系真值表

(4) 根据真值表,直接画卡诺图进行化简

(5) 写出逻辑电路的最简输出表达式为

(6) 根据最简表达式画出逻辑电路

示例2:设计一个表决电路,该电路有3个输入信号,输入信号有同意及不同意两种状态。当多数同意时,输出信号处于通过的状态,否则处于不通过状态,用与非门设计该逻辑电路
分析过程:
(1) 确定输入变量个数为3个,输出变量个数为1个,因此可设输入变量为A,B,C,设定输入同意状态为逻辑1不同意为逻辑0;输出变量为Y,设定通过状态为逻辑1,不通过状态为逻辑 0
(2) 根据输入与输出的逻辑关系,列出Y与A,B,C的关系真值表

(3) 根据真值表,直接画卡诺图进行化简

(4) 写出最简表达式,并根据设计要求变换为与非一与非表达式

(5) 根据与非一与非表达式画出逻辑电路图

5.3.3. 加法器


6. 时序逻辑
6.1. RS触发器

6.2. D触发器


7. 计数器原理

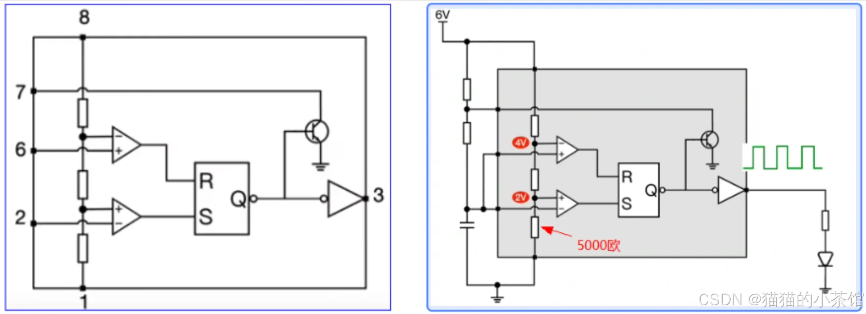
8. 555定时器


9. 三极管放大电路


析基本放大电路要遵循"先静态,后动态"的原则,只有 Q点合适,动态分析才有意义
设置静态工作点的必要性
为什么放大的对象是动态信号,却要晶体管在信号为零时有合适的直流电流和极间电压?
- 晶体管是非线性器件,其放大特性仅在特定范围内近似线性。静态工作点(直流偏置)的作用是将晶体管预置在放大区的合适位置(如共射电路的 QQ点),使动态信号能在此线性范围内波动。
- 若偏置不当:
- 截止失真:信号负半周进入截止区,输出底部被削平0
- 饱和失真:信号正半周进入饱和区,输出顶部被压缩
- 类比解释 :想象晶体管是一个弹簧,静态工作点如同弹的初始拉伸状态:
- 弹簧未拉伸(无偏置):只能响应单向力(信号半周失效)
- 适度拉伸(正确偏置):既能压缩也能伸展,响应双向变化(完整放大信号) ○
- 过度拉伸(偏置过高):弹簧僵化,无法进一步伸展(饱和失真)

9.1. 直接耦合放大电路

9.2. 阻容耦合放大电路

9.3. 直流通路和交流通路
放大电路中直流电源的作用和交流信号的作用共存,这使得电路的分析复杂化,为简化分析,将它们分开作用,引入直流通路和交流通路:
- 直流通路:①
Us=0,保留Rs;②电容开路;③电感相当于短路(线圈电阻近似为0)- 交流通路:①大容量电容相当于短路;②直流电源相当于短路(内阻为0)


9.4. 共射极放大电路




共射放大电路既能放大电流又能放大电压,输入与输出反相;输出电阻较大,频带较窄,常作为低频电压放大电路的单元电路。
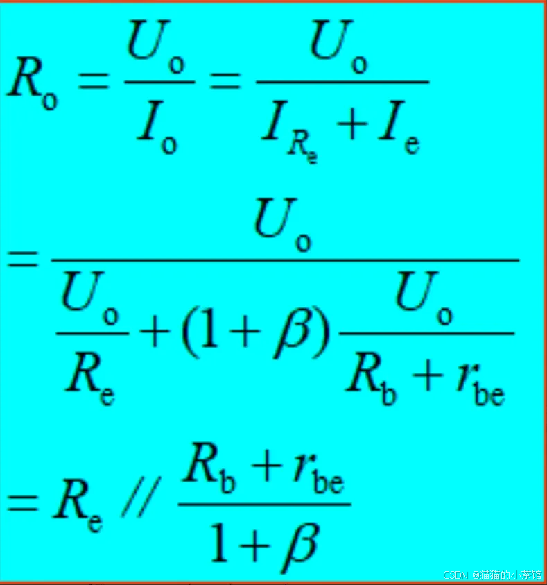
9.5. 共集电极放大电路

电压放大倍数:

输入电阻的分析:

带负载电阻后:

Ri与负载有关
输出电阻的分析:

令Us为零,保留RS,在输出端加Uo,得:

Ro与信号源内阻有关
共集放大电路因为
0< Au<1,所以只能放大电流不能放大电压,(因为IE远远大于IB,所以有电流放大能力);输入电阻大,输出电阻小,具有电压跟随的特点,常用于电压跟随器或电压放大电路的输入及和输出级
9.6. 共基极放大电路



共基放大电路因为输入在E极,输出在C极,又因
IE≈IC,所以没有电流放大能力,只有电压放大能力,即具有电流跟随的特点;输入电阻小,电压放大倍数、输出电阻与共射电路相当,高频特性好;输入与输出是同相的关系,属同相放大
10. 集成运算放大器
10.1. 运放基本概念


运算放大器不会改变信号频率,理想运放的开环增益是无穷大的,一些无用的微弱信号会被放大到非常大,在实际电路中输出不会超过电源电压;

- 如果我们连接运放的输出到它的反相输入端,然后在同相输入端施加一个电压信号,我们会发现运放的输出电压会很好的追随着输入电压;
- 假设初始状态运放的输入、输出电压都为0V,然后当Vin从0V开始增加的时候,Vout也会增加,而且2.是往正电压的方向增加。这是因为假设Vin突然增大,Vout还没有响应依然是0V的时候,Ve=Vin-Vout是大于0的,所以乘上运放的开环增益,Vout=Ve*A,使得运放的输出Vout开始往正电压的方向增加;
- 当随着Vout增加的时候,输出电压被反馈回到反相输入端,然后会减小运放两个输入端之间的压差,也就是Ve会减小,在同样的开环增益的情况下,Vout自然会降低。最终的结果就是,无论输入是多大的输入电压(当然是在运放的输入电压范围内),运放始终会输出一个十分接近Vin的电压,但是这个输出电压Vout是刚好低于Vin的,以保证的运放两个输入端之间有足够的电压差Ve,来维持运放的输出,也就是Vout=Ve*A;
- 这个电路很快就会达到一个稳定状态,输出电压的幅值会很准确的维持运放两个输入端之间的压差,这个压差Ve反过来会产生准确的运放输出电压的幅值。将运放的输出与运放的反相输入端连接起来,这样的方式被称为负反馈,这是使系统达到自稳定的关键;
- 使用负反馈的一个很大的优势是,我们不用去关心运放的实际电压增益,只要它足够大就可以;
"虚短" :是指在分析运算放大器处于线性状态时,可把两输入端视为等电位,这一特性称为虚假短路,简 称虚短,显然不能将两输入端真正短路;
"虚断":是指在分析运放处于线性状态时,可以把两输入端视为等效开路,这一特性称为虚假开路,简称虚断,显然不能将两输入端真正断路;
10.2. 运放电路分析
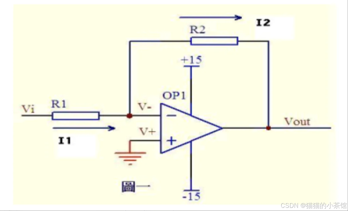
10.2.1. 反向电路

流过 R1 的电流:
I1 =(Vi- V-)/R1流过 R2 的电流:
I2=(V-- Vout)/R2
V- = V+ = 0
I1 = I2求解上面的初中代数方程得Vout =(-R2/R1)*Vi
10.2.2. 同向放大器

Vi = V-
I = Vout/(R1+R2)
Vi=I*R2得
Vout=Vi*(R1+R2)/R2
10.2.3. 加法器

(V1-V+)/R1=(V+-V2)/R2
(Vout- V-)/R3 = V-/R4由虚短知:
V+ = V-如果
R1=R2,R3=R4
V+=(V1+ V2)/2 V- = Vout/2
Vout = V1 + V2
10.2.4. 减法器

(V2-V+)/R1 =V+/R2
(V1-V-)/R4=(V-- Vout)/R3如果
R1=R2, 则V+ = V2/2如果
R3=R4,则V- =(Vout + V1)/2由虚短知
V+ = V-所以
Vout=V2-V1
10.3. 比较器

11. 射频电路基础
11.1. 基本概念
射频是一段具备空间辐射能力,可用于发射的电磁波频率,一般常指300k~300G的频段,像移动通信中的CDMA、GSM等系统所采用的800 MHZ、900 MHz频段,WIFI/BT采用的5G/2.4G都属于射频RF范畴

- 波长(λ)即波在一个周期内传播的距离,在传播速度一定的情况下,波长与频率成反比,即λ=c/f; ●
- 相似频率的RF之间会相互干扰,因此有专门管理频谱的组织来分配使用频段,避免应用之间的互相干扰,规范RF的使用; ●
- 由于衰减等因素影响,低频电磁波一般能比高频电磁波传播更长的距离,因此经常被用来超视距雷达; ●
- 而高频电磁波能量高,穿透能力强,带宽更高,现在也被用于一些视距内的通信来缓解低频段拥挤的问题;
- 射频铁三角:频率,阻抗,功率
- 频率 :
- 频率是射频/微波工程中最基本的一个参数,对应于无线系统所工作的频谱范围,也规定了所研究的微波电路的基本前提,进而决定微波电路的结构形式和器件材料
- 频率选择电路:在复杂的频谱环境中,选择所关心的频谱范围
- 经典的频率选择电路是滤波器,如低通滤波器、带通滤波器、高通滤波器和带阻滤波器等
- 功率 :
- 描述射频/微波信号的能量大小,所有电路或系统的设计目标都是实现射频/微波能量的最佳传递
- 放大器:提高射频/微波信号功率的电路,在射频/微波工程中地位极为重要
- 阻抗 :
- 阻抗是在特定频率下,描述各种射频/微波电路对微波信号能量传输的影响的一个参数
- 电路的材料和结构对工作频率的响应决定电路阻抗参数的大小
- 阻抗变换器:增加合适的元件或结构,实现一个阻抗向另一个阻抗的过渡
- 阻抗匹配器:一种特定的阻抗变换器,实现两个阻抗之间的匹配
- 天线:一种特定的阻抗匹配器,实现射频/微波信号在封闭传输线和空气媒体之间的匹配传输
11.2. 信号调制
单纯的电磁波是没有意义的,为了达到通信的目的,我们需要对发射端的电磁波进行一些操作来达到承载数据的目的,这个操作就叫做调制,稍微学术一点,为了达到通信的目的,RF信号必须具有一种携带信息的方式,调制即利用三个波特性(频率、相位、振幅)来达到修改RF信号、传输数据的目的
11.2.1. 模拟调制


调幅(AM):
基础调幅过程:调制信号与载波的最大振幅相加,再与载波相乘,结果如下:

调频(FM)
直接调频:利用调制信号直接控制振荡器的振荡频率
间接调频:将调制信号进行积分,然后对载波调相,最后通过n次倍频器得到最后的调制信号

调相(PM):
通过调制数据信号可以将载波的相位往前或者向后挪移

11.2.2. 数字调制
数字调制指用数字信号对正弦或余弦高频振荡进行调制,最基本的调制方式包括:
振幅键控(ASK)、频率键控(FSK)、移相键控(PSK)
抗干扰能力:
PSK>FSK>ASK
振幅键控(ASK): 用数字调制信号控制,可以通过改变幅度本身,也可以通过简单地关闭、打开信号形成能量脉冲(开关键:OOK)

频率键控(FSK): 用二进制数据调制载波的频率,形成具有明显变化的频率来表示数据位

移相键控(PSK): 用数字调制信号的正负控制载波相位,如数字信号的振幅为正时,载波起始相位取180°,为负时,相位取0°

11.3. 滤波解调
使指定频段的信号顺利通过,其它频率的信号被衰减
电容对信号的影响可以用两句话概括:
高频信号 :电容的"阻力"(容抗)小,相当于容易通过(短路)
低频信号 :电容的"阻力"(容抗)大,相当于难以通过(开路)
低通滤波器(电容接地)高频信号:
电容对高频阻力小 → 高频信号被电容"短路到地"→ 高频无法到达输出端(被滤除)(想象电容像一条"泄洪道",把高频信号引到地里去了)低频信号:
电容对低频阻力大 → 低频信号无法通过电容到地 → 低频只能从电阻走到输出端(保留)
高通滤波器(电容串联)低频信号 :
电容对低频阻力大 → 低频信号无法通过电容 → 低频被阻挡(想象电容像一堵"高墙",低频信号翻不过去。)高频信号 :
电容对高频阻力小- 高频信号轻松通过电容 → 到达输出端(保留)
RC低通滤波器:它允许输入信号频率低于下限截止频率水平。通过改变电阻器和电容器的值,我们可以改变截止频率水平

这里 FC 代表截止频率,RC是电阻和电容的值

RC高通滤波器:
所有高于截止频率的输入信号都允许通过该滤波器


RC带通滤波器:
是一种允许特定频率范围内的信号分量通过,而将其他频率的信号分量衰减到极低水平的滤波器。这种滤波器在信号处理、通信系统等领域具有重要作用,用于提取特定频率的信号成分,通常由低通与高通滤波器级联组成


11.4. 天线设计
天线发送
- 天线是由平行传导线演变而成,平行双轨线中间充满着电荷,电荷在两根导线中间跳动,将两根导线慢慢掰成开放状,两根导线之间的电场便不能束缚住这些电荷,它们开始向外逸散,这样电磁辐射就形成了
- 当这根张开的双轨线输入交流电,电场磁场交替感应,天线的能量就被传送出去了,所以发射设备将信号以特有的方式编辑(调制),通过天线发送出去

天线接收:
当发送天线的电磁波碰到了接收天线,便会在接收天线上产生感应电流,经过对这些感应过来的信号进行解调,这样就完成了信号从发射端到接收端的一次传输,天线传输的过程是可以互逆的,这样的一个个回路就构成了我们的无线通讯网传输
有源和无源无源天线就是一大块金属,以一种特殊的方式配置;
有源天线它有电源;
有源天线仅仅是比无源天线在内部多了放大器;
天线的形状和大小
①频率:
- 天线需要处理的频率越低,天线规模越大,这也是为什么调幅广播站在530kHz频率广播时,它的天线有几百米高,而手机工> 作在900MHz,它的天线仅有6in长;
- 天线由双轨线变化而来,那么双轨线的两根导线就被称作天线的振子,一般情况下振子两臂是等长的且为波长的四分之一,> > 而波长是跟频率成反比的,也就是频率越高,天线越短;
②传播方向:
- 如果要在各方向同等接收或发送无线电波信号,那么天线将是某个形状,这种天线类型称作全向天线意味着它要求各个方向都> > 工作;
- 如果只在一个方向发送(或接收)无线波信号,那么天线将是完全不同的形状,这种天线被简单地称为定向天线;
③功率:
- 最后决定天线大小和形状的就是天线发送或接收的功率,功率越大,天线规模越大

11.5. 信号描述单位
| 单位 | 说明 |
|---|---|
dB |
滤波器、放大器、耦合器、开关等器件的指标 |
dBm |
振荡器的输出功率;功率相对于1mW的比值 |
dBw |
功率相对于1W的比值 |
dBc |
振荡器的谐(杂)波抑制 |
dBc/Hz |
振荡器的相位噪声,与测是仪器有关 |
dBi |
天线的增益比值 |

- 天线灵敏度是指天线在特定条件下接收微弱信号的能力,通常用 dBm(分贝毫瓦)表示
- 数值越小(负值越大)表示灵敏度越高
12. 电路仿真

以上,欢迎有从事同行业的电子信息工程、互联网通信、嵌入式开发的朋友共同探讨与提问,我可以提供实战演示或模板库。希望内容能够对你产生帮助!