每日更新教程,评论区答疑解惑,小白也能变大神!"

目录
[一、 技术内核:物理原理、经典电路与核心部件](#一、 技术内核:物理原理、经典电路与核心部件)
[二、 技术演进:从模拟脉冲到智能感知](#二、 技术演进:从模拟脉冲到智能感知)
[三、 应用全景:从智能家居到智慧城市](#三、 应用全景:从智能家居到智慧城市)
[四、 挑战与未来展望](#四、 挑战与未来展望)

在物联网与智能化的浪潮中,一种看不见的"眼睛"正悄然改变我们的生活:走廊的灯光在你经过时自动点亮,卫生间的龙头在你伸手时无声出水,安防系统能在漆黑的夜晚感知不速之客的入侵。这一切的背后,都离不开红外线人体感应技术的支撑。从早期基于BISS0001等专用芯片的简单开关,到今天融合了先进材料与人工智能算法的智能感知模块,这项技术已经完成了一场从"感知有无"到"理解行为"的深刻蜕变。本文将系统梳理红外人体感应技术的基本原理、核心电路,并重点结合最新技术进展,展现其在当代及未来智能系统中的全景应用。
一、 技术内核:物理原理、经典电路与核心部件
红外人体感应技术的物理基石是热释电效应 和人体自身的热辐射特性。
1. 物理基础:人体作为红外辐射源
人体作为一个恒温(约37℃)的黑体辐射源,其向外辐射电磁波的峰值波长位于8-14微米的远红外波段。这个波段恰好处于大气对红外线吸收较弱的"大气窗口"之内,为被动式(无源)探测提供了理想条件。所有高于绝对零度的物体都会发出红外辐射,而感应技术的核心,就是专门捕捉人体这个特定波长范围的辐射变化。
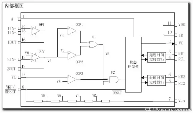
2. 经典电路核心:以BISS0001为例











详细剖析了以BISS0001芯片为核心的经典热释电红外开关方案。这款CMOS数模混合专用集成电路,是早期产业化应用的代表。其工作流程可概括为以下步骤:
-
信号拾取与放大:热释电传感器输出的微弱电荷信号,经由芯片内部的第一级运放(OP1)和第二级运放(OP2)进行两级放大,并将信号直流电位抬升至合适的工作电平。
-
双向鉴幅与有效触发 :放大后的信号送入由两个电压比较器(COP1、COP2)构成的双向鉴幅器。该电路设定一个高阈值(VH≈0.7VDD)和一个低阈值(VL≈0.3VDD),只有当信号幅度跨越这个"窗口"时,才被判定为有效的人体触发信号(Vs),从而能有效抑制±1V以内的噪声干扰。
-
逻辑控制与延时 :有效触发信号在满足条件比较器(COP3)等控制逻辑后,触发延迟时间定时器,产生一个高电平输出信号(Vo)。这个输出信号的持续时间(Tx)和两次触发之间的最小间隔(封锁时间Ti)都可以通过外接的电阻和电容进行调节。通过设置芯片的A引脚电平,还可选择不可重复触发 (Tx时间内忽略新信号)或可重复触发(Tx时间内新信号可重置延时)两种工作模式,以适应不同场景需求。
3. 三大核心部件


一套完整的被动式红外(PIR)感应系统,离不开三个核心部件的协同:
-
菲涅尔透镜:这是系统的"光学天线"。它通常由众多同心锯齿纹路构成,其核心作用有两个:一是将大面积监测区域的红外辐射聚焦到小小的传感器敏感元上,极大地提高探测距离和灵敏度;二是通过将探测区域分割成多个明暗交替的敏感区与非敏感区,只有当热源(如人体)在探测区内移动,引起传感器接收到的辐射强度发生"明-暗"变化时,才能产生有效的交流信号。这是PIR传感器主要检测运动人体的关键原因。
-
热释电传感器 :这是系统的"能量转换器"。通常采用钽酸锂、硫酸三甘肽等具有自发极化特性的晶体材料。当晶体表面温度因接收到的红外辐射强度变化而改变时,其内部极化状态随之改变,从而在电极上感应出微弱的电荷信号。现代传感器多采用双元或四元互补结构,可以很好地抑制环境温度缓慢变化带来的共模干扰,提高稳定性。
-
信号处理芯片(ASIC) :这是系统的"大脑"。早期的如BISS0001,完成了放大、比较、定时等基本功能。现代的ASIC则高度集成,内部可能包含12位模数转换器(ADC)、数字信号处理器(DSP)甚至可编程存储器,能够执行更复杂的算法,并通过I²C等数字接口直接输出处理结果。
二、 技术演进:从模拟脉冲到智能感知
传统PIR方案虽然成熟、成本低廉,但其固有局限也相当明显:只能检测运动 (无法感知静止人体)、易受宠物、热气流等干扰 、信息维度单一(仅有0/1开关量)。为了突破这些瓶颈,红外感应技术正沿着器件、算法和融合三个方向飞速演进。
1. 算法进化:从"探测移动"到"感知存在"
最深刻的变革发生在算法层面。通过在ASIC芯片内集成轻量级AI算法,新一代红外传感器正变得日益"聪明":
-
静态存在感知 :这是对传统PIR技术最大的突破。算法通过对传感器信号进行长时间(数分钟至数十分钟)的基线学习和超高灵敏度分析,能够识别出人体微弱的呼吸起伏(毫米级)或微动作所导致的辐射场细微变化,从而实现"人在灯不灭",彻底解决了需要挥手唤醒设备的尴尬。
-
运动轨迹与行为分析 :利用多分区菲涅尔透镜产生的一系列脉冲序列,算法可以分析信号的时间、空间关系,判断目标的移动方向、速度甚至简单行为模式(如徘徊、滞留、跌倒),从而过滤窗帘晃动、宠物跑动等非人形目标的干扰。
-
人数大致估计:结合探测区域内信号激活的片区数量和脉冲密度,先进的算法能够推断出区域内是单人、双人还是多人,为空调、新风系统的精准送风和能耗控制提供依据。
2. 器件革新:新材料与新结构
传感器本身的性能极限正被新材料和新结构不断突破,主要体现在以下两个方面:
首先,在传感材料与工艺方面:
-
MEMS集成与低功耗 :利用微机电系统(MEMS)工艺,将热释电晶体与CMOS信号处理电路集成在同一硅基片上,极大地减小了体积,并将功耗降低至微安(µA)级,使电池供电设备可工作数年。例如,村田制作所最新推出的"IRS-D200ST00R1"热电型红外传感器,采用小型SMD封装,典型工作电流仅为8µA,并内置ADC支持I²C数字输出,极大方便了物联网设备集成。
-
新型敏感材料 :学术界和产业界正在探索性能更优异的材料。例如,掺铝氮化钪(AlScN) 等新型铁电材料,因其更高的热释电系数而被研究用于制造更灵敏、更快速的非制冷红外传感器。二维材料(如石墨烯、黑磷)及其范德华异质结构,也因其独特的电学与光学特性,成为研制高性能、可调谐红外光电探测器的前沿方向。
其次,在探测维度方面,技术正从传统的"单点探测"向"阵列成像"演进,这是一个质的飞跃:
- 红外热电堆阵列 :传统单点热电堆只能感知一个区域的整体温度变化。而阵列技术(如8×8、16×16像素)则能形成一个低分辨率的热分布图像 。国产技术的突破在此领域尤为亮眼。2025年,声动微科技正式发售了国内首款8×8像素红外热电堆阵列热感芯片模组,其成本仅为国外同类产品的50%左右。这种阵列不仅能实现"动静皆不丢帧"的精准存在感知,还能判断人体的姿态(如坐、卧)和大致位置,填补了低成本精确存在感知市场的空白。
下表对比了传统PIR与新一代智能红外感应技术的关键差异:
| 特性维度 | 传统热释电红外(PIR)感应 | 新一代智能红外/阵列感应 |
|---|---|---|
| 核心输出 | 二进制开关信号(0/1) | 数字信号、存在状态、简单行为数据、低分辨率热图像 |
| 检测能力 | 仅限运动(移动跨越敏感区) | 运动+静态存在(通过呼吸等微动识别) |
| 抗干扰性 | 较弱,易受宠物、热气流影响 | 较强,通过AI算法(轨迹、模式分析)过滤非人目标 |
| 信息维度 | 单一("有/无"移动) | 丰富(人数估计、姿态、位置) |
| 功耗水平 | 较低(毫安级) | 极低(微安级),适合电池长期供电 |
| 成本 | 非常低廉 | 逐渐降低,阵列芯片国产化后性价比显著提升 |
3. 技术融合:多模态感知成趋势
没有一种技术是万能的。为了应对复杂环境,多传感器融合成为高端应用的主流方案。
-
红外 + 毫米波雷达:这是当前最受关注的组合之一。PIR成本低、可判断生物属性,但对静止目标失效;毫米波雷达可以检测微动、穿透非金属材料、测距测速精准,但无法区分人与物体。两者结合,既能实现高可靠性的静态存在感知,又能获取精确的空间信息,在智能家居、安防监控中效果卓越。
-
红外 + 其他传感器:还可与超声波、麦克风(声学)、光敏传感器等结合,通过多维度数据交叉验证,最大程度地降低误报率。
三、 应用全景:从智能家居到智慧城市
随着技术的智能化演进,红外人体感应的应用已从最初的节能照明开关,渗透到现代社会的各个角落。
-
智能家居与建筑 :这是最普及的应用领域。静态存在感知使得卫生间、办公室的灯光和空调可以真正做到"人在服务,人走关闭",节能体验大幅提升。联动智能门锁、摄像头,可实现回家自动亮灯、布防撤防等场景。在智慧楼宇中,通过分布在电梯厅、走廊的传感器,可以实现照明分区按需点亮,据估算可节省30%以上的照明能耗。
-
安防与监控:红外感应是安防系统的第一道防线。无论是家庭防盗报警,还是仓库、管廊等工业场所的周界防范,其被动、隐蔽的工作特性至关重要。结合AI行为分析,系统可以识别出"翻越围墙"、"区域内滞留"、"人员聚集"等异常行为并主动报警,将事后追溯变为事前预警。
-
商业与零售 :在零售场景中,嵌入货架底部的微型红外传感器可以统计顾客对商品的拿取次数,结合销售数据,为精准补货和营销提供依据。客流统计热力图可以帮助商家优化动线布局和广告屏内容投放。
-
健康看护与物联网:红外阵列传感器可以非接触地感知老人的活动情况、睡眠状态甚至跌倒警报,保护隐私的同时提供安全保障。在物联网设备中,低功耗的微型红外传感器使无线门铃、网络摄像机、温控器等设备能够被"事件"唤醒,实现超长续航。
四、 挑战与未来展望
尽管前景广阔,红外人体感应技术在实际落地中仍需翻越几座"大山":误报 (如空调风、阳光反射)、极端环境下的性能下降 (如低温环境下人体辐射减弱)、以及对于超低功耗的永恒追求。解决之道正是前述的技术融合、算法优化和新材料应用。
展望未来,红外感知技术将朝着以下几个方向深化发展:
-
更高的集成与智能化("端云协同"):传感器端(Edge)运行轻量级AI模型(TinyML)进行实时处理,同时将匿名化数据上传至云端,利用大模型进行更深度的学习和模式挖掘,实现"越用越准,越用越懂你"的个性化感知。
-
更低功耗与自供能:研究基于环境能量收集(如温差发电、振动发电、射频能量收集)的无电池红外传感节点,实现"一次部署,终身免维护"的理想状态。
-
更丰富的感知融合与数字孪生:红外节点将与更多类型的传感器深度融合,成为环境多维感知网络的基础单元。每个物理世界的感应节点都会在数字孪生城市中实时映射,管理者可以在虚拟空间中直观看到"人流的呼吸与脉搏",实现前所未有的精细化城市治理。
结语
从基于BISS0001的经典红外开关,到融合AI算法与阵列成像的智能感知模块,红外人体感应技术走过了一条从"机械反应"到"生物模拟"的演进之路。它始终围绕着同一个核心使命:将人体发出的、看不见的10微米红外波,翻译成数字世界能够理解的电信号,再通过网络和算法,将其转化为照亮生活的光、保障安全的盾、提升效率的器。
技术的最高境界往往是隐形的。当智能环境能够无缝响应我们的需求,而我们却浑然不觉这些"慧眼"的存在时,便是这项技术真正成功的时刻。从一盏自动点亮的灯,到一座会呼吸的智慧之城,红外人体感应技术,这颗物联网时代的隐形慧眼,正在为我们开启一个更加智能、便捷、节能的未来。