原边控制 PWM 功率开关,集成高压功率 MOSFET,无需光耦与次级反馈,适用于 18W 以下 AC/DC 反激式开关电源,主要用于恒压 / 恒流高精度调节与简化设计。
PL3327核心应用场景
手机 / 无绳电话充电器(5V/2A 等常见规格)
数码相机、PDA、便携音频设备充电器
小功率电源适配器(如 12V1.5A、9V2A 等≤18W 输出)
消费电子待机电源(低功耗绿色模式,满足能效标准)
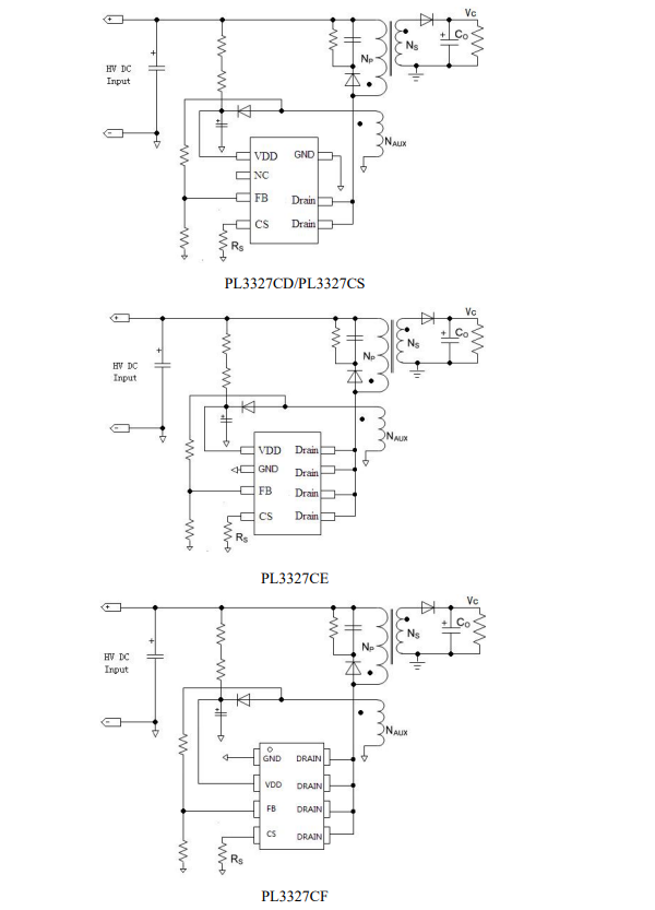
PL3327CE/CD/CS/CF/典型应用电路:

典型应用电路(12V1.5A/18W 反激方案)
拓扑:AC/DC 反激式,原边反馈,无需光耦与 TL431。
关键元件
输入:保险丝、共模电感、整流桥、滤波电容(400V 电解)。
功率级:PL3327C(SOP7/SOP8)、高频变压器(EE16/EE19,原边电感约 1.2mH)。
反馈与补偿:辅助绕组取样 VDD,CS 电阻设定峰值电流,FB 脚编程输出线补偿。
输出:快恢复二极管、滤波电容、反馈电阻分压设定 CV/CC 参数。
工作模式
重载:PWM 定频;中轻载:PWM 降频;空载:PFM 绿色模式,待机功耗 < 75mW。
设计要点与注意事项
变压器设计
原边电感量匹配芯片电流限制,确保 CC 精度;辅助绕组匝数决定 VDD 电压(通常 12--18V)。
气隙与绕组排布优化 EMI,降低漏感与损耗。
参数设置
CS 电阻(Rcs):设定峰值电流,影响恒流值与过流保护阈值。
FB 分压电阻:设定输出电压,配合线补偿电阻优化负载调整率。
软启动与消隐时间:抑制开机冲击与尖峰干扰。
PCB Layout
功率回路(Drain、GND、整流管)短而粗,减少寄生电感。
反馈采样点靠近输出电容,避免噪声耦合影响 CV/CC 精度。
散热设计:SOP8 封装注意覆铜面积,确保 MOSFET 散热。
保护与合规
过压保护(OVP):通过 FB 脚分压设定,防止输出异常升压。
欠压锁定(UVLO):确保芯片在 VDD 低于阈值时关断,避免误动作。
能效与 EMI:满足 DoE Level VI、CoC Tier 2 等标准,必要时增加 EMI 滤波器。
PL3327CD(DIP8)、PL3327CE(SOP8)、PL3327CS(SOP7),根据 PCB 空间与散热需求选择。PL3327C 适合 18W 以内需 CV/CC 的低成本电源设计,尤其适合充电器、适配器与待机电源,通过原边控制简化方案并提升可靠性。