提示:本文内容仅供学习参考。Author: Jonnie Walker CGC
目录

1.TPS61088描述
TPS61088 是一款高功率密度的全集成同步升压转换 器, 配有一个 11m Ω 功率开关和一个 13m Ω 整流器开 关, 可为便携式系统提供高效率的小尺寸解决方案。 TPS61088 具有 2.7V 至 12V 的宽输入电压范围 , 可支 持由单芯或两芯锂电池供电的应用。该器件具备 10A 开关电流能力, 并且能够提供高达 12.6V 的输出电 压。
TPS61088 采用自适应恒定关断时间峰值电流控制拓扑 结构来调节输出电压。在中等到重负载条件下, TPS61088 在脉宽调制 (PWM) 模式下工作。在轻负载 条件下, 该器件可通过 MODE 引脚选择下列两种工作 模式之一。一种是可提高效率的脉宽调制 (PFM) 模 式; 另一种是可避免因开关频率较低而引发应用问题的 强制 PWM 模式。可通过外部电阻在 200kHz 至
2.2MHz 范围内调节 PWM 模式下的开关频率。 TPS61088 还实现了可编程的软启动功能和可调节的开 关峰值电流限制功能。此外, 该器件还提供有 13.2V 输出过压保护、逐周期过流保护和热关断保护。
特性:
• 2.7V 至 12V 输入电压范围
• 4.5V 至 12.6V 输出电压范围
• 10A 开关电流
• 效率高达 91% ( V IN = 3.3V 、 V OUT = 9V 且 I OUT = 3 A 时 )
• 在轻负载条件下 , 有 PFM 模式和强制 PWM 模式 可供选择
• 关断期间 , 流入 VIN 引脚的电流为 1.0µA
• 可通过电阻编程的开关峰值电流限制
• 可调开关频率 : 200kHz 至 2.2MHz
• 可编程软启动
• 13.2V 输出过压保护
• 逐周期过流保护
• 热关断
• 20 引脚 4.50mm × 3.50mm VQFN 封装
2.硬件
图1 
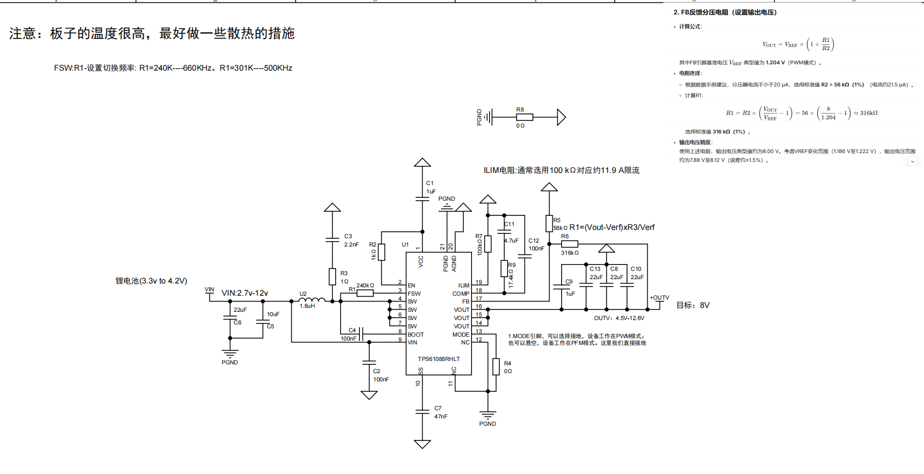
说明:图1是个人设计的原理图,设定输出电压为8v。你可以进行设计参考。
硬件关键设计提醒
-
电感选择:根据输出电流要求,推荐电感值在1 μH至4.7 μH之间,饱和电流需高于峰值电流。例如,若输出电流较大(如3A),可选用2.2 μH或3.3 μH功率电感。
-
输入/输出电容:建议使用低ESR陶瓷电容。输入电容至少10 μF,靠近VIN引脚;输出电容建议22 μF 3个以上,具体取决于负载纹波要求。
-
ILIM电阻:如需设置峰值电流限制,请参考数据手册7.3.4节计算(通常选用100 kΩ对应约11.9 A限流)。
-
布局:确保功率回路(输入电容-电感-SW引脚)路径短而粗;FB走线远离噪声源;AGND与PGND分开并单点连接。
3.模块细节
图2

图3

图4

这里主要描述图4模块内容:此模块在网上买的!通过此模块描述TPS61088使用。
(1)FB反馈分压电阻(设置输出电压) R1,R2
-
计算公式:
VOUT=VREF×(1+R1R2)VOUT=VREF×(1+R2R1)
其中FB引脚基准电压 VREFVREF 典型值为 1.204 V(PWM模式)。
-
电阻选择:
-
根据数据手册建议,分压器电流不小于20 μA,选用标准值 R2 = 56 kΩ(1%)(电流约21.5 μA)。
-
计算R1:
R1=R2×(VOUTVREF−1)=56×(81.204−1)≈316kΩR1=R2×(VREFVOUT−1)=56×(1.2048−1)≈316kΩ
选用标准值 316 kΩ(1%)。
-
-
输出电压精度 :
使用上述电阻,输出电压典型值约为8.00 V。考虑VREF变化范围(1.186 V至1.222 V),输出电压范围约为7.88 V至8.12 V(误差约±1.5%)。
说明:以上使用的参数是与输出电压8v计算,你也可以根据自己要求计算配置R1,R2阻值。
1. FSW开关频率设置电阻
-
计算公式:
RFREQ=4×(1fSW−tDELAY×VOUTVIN)CFREQRFREQ=CFREQ4×(fSW1−tDELAY×VINVOUT)
其中:
-
CFREQ=23pFCFREQ=23pF
-
tDELAY=89nstDELAY=89ns
-
选择开关频率 fSW=600kHzfSW=600kHz
-
取标称输入电压 VIN=3.6VVIN=3.6V,VOUT=8VVOUT=8V
-
-
计算结果 :
计算得到 RFREQ≈255kΩRFREQ≈255kΩ。选用标准值 255 kΩ(1%) 。
实际频率在输入电压范围内(3.3V-4.2V)约为594 kHz至611 kHz,接近目标值。
EN:你就当成模块工作开关,默认是开启状态。
**注:**部分内容来自TPS61088 官方文件。非常感谢你能看到这里!
